1 概述
ASD系列開關柜綜合測控裝置用于3~35kV戶內開關柜,適用于中置柜、手車柜、固定柜、環網柜等多種開關柜。具有一次回路模擬圖及開關狀態指示,高壓帶電顯示,自動溫濕度控制,人體感應自動照明,語音提示,電參數測量及RS485通訊接口等眾多功能,集操作、顯示于一體。
2 型號說明

3 技術參數

4 功能配置

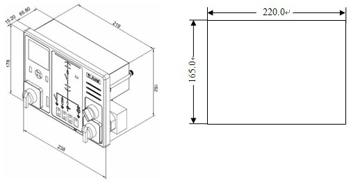
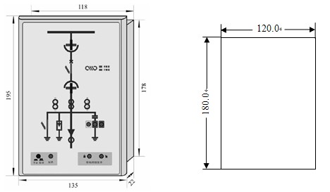
5 外形及尺寸(mm)
5.1 ASD200、ASD300

5.2 ASD100

5.3 溫濕度傳感器(配套附件)

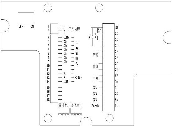
6 接線端子
6.1 ASD300

6.2 ASD200

6.3 ASD100
