一、 特性:
● 雙全橋MOSFET驅動,低導通電阻Ron=0.55Ω
● 最高耐壓36VDC,峰值電流2.2A,工作電流1.5A
● 多種細分可選(1、1/2、1/4、1/8、1/16、1/32、1/64、1/128)
● 自動半流鎖定功能
● 快衰、慢衰、混合式衰減三種衰減方式可選
● 內置溫度保護及過流保護
● 內置1通道PWM電流控制步進電機驅動電路
● BiCDMOS工藝IC
● 可選擇2、1-2、W1-2、2W1-2、4W1-2、8W1-2、16W1-2、32W1-2相勵磁
● 僅需Step信號輸入就可以進行Step勵磁
● 正反控制均可
● 內置TSD電路
● 內置輸入下拉電阻入力
● 附有Reset、Enable端子
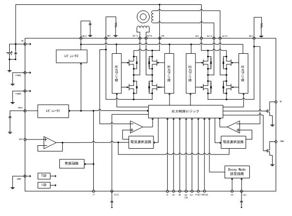
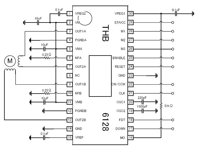
二、 管腳圖:

三、 管腳說明:

四、 電器參數:
1、 最高額定值Absolute Maximum Ratings (Ta = 25°C)

2、 正常運行參數范圍Operating Range (Ta = 30 to 85°C)

3、 電器特性Electrical Characteristics (Ta = 25°C, VREF = 1.5 V, VM = 24 V)
五、 使用說明
1、細分設定(M1、M2、M3)

2、衰減模式設定
PDT為衰減方式控制端,調節此端電壓可以選擇不同的衰減方式,從而獲得更好的驅動效果。

3、電流設定
VREF電流設定端,調整此端電壓即可設定驅動電流值
Io(100%)=VREF*(1/5)*(1/Rs) Rs為NFA(B)外接檢測電阻
(例)VREF=1.5V、Rs電阻為0.3Ω時,設定電流為:
Iout = (1.5V/5) / 0.3Ω = 1.0A
4、待機功能(Standby)
ST/VCC端子為Low時,IC進入待機模式,所有的邏輯被重置,輸出為OFF。ST/VCC端子為High時解除待機模式。
5、CLK脈沖輸入端

6、CW/CCW:電機正反轉控制端
CW/CCW為Low時,電機正轉
CW/CCW為High時,電機反轉
7、RESTER:上電復位端
RESET端子為Low時,輸出為初始模式。勵磁位置不再與CLK、CW/CCW端子關聯,而被固定在初始位置。初識位置時,MO端子輸出L。(Open Drain連接)
8、ENABLE:使能端
ENABLE端子為Low時,輸出強制OFF,為高阻狀態。但是,由于內部邏輯電路仍在動作,如果在CLK端子輸入信號,勵磁位置仍在進行。因此,將ENABLE重新置為High時,根據CLK輸入,遵循進行的勵磁位置的level輸出。
9、DOWN、MO輸出端
輸出端子為Open Drain連接。各端子在設定狀態下ON,輸出Low Level。

10、斬波頻率設定功能
斬波頻率由OSC1端子端子-GND間連接的電容,依據下面的公式設定。
Fcp = 1 / (Cosc1 / 10×10-6) (Hz)
(例)Cosc1=100pF時,斬波頻率如下。
Fcp = 1 / (100×10-12 / 10×10-6) = 100(kHz)
11、輸出短路保護電路
該IC為防止對電源或對地短路導致IC損壞的情況,內置了短路保護電路,使輸出置于待機模式。檢測出輸出短路狀態時,短路檢出電路動作,一度輸出OFF。此后,Timer Latch時間(typ:256uS)之后再度輸出ON,如果輸出仍然短路的話,將輸出固定于待機模式。
由輸出短路保護電路動作而使輸出固定于待機模式的場合,通過使ST=“L”可以解除鎖定。
12、通電鎖定電流切換用Open Drain端子
輸出端子為Open Drain連接,從CLK輸入的一個上升沿脈沖開始,在由OSC2-GND間連接的電容決定的時間以內,下一個CLK的上升沿脈沖沒有輸出時切換為ON,輸出Low Level。一次ON的Open Drain輸出由下一個CLK的上升沿脈沖置為OFF。
保持通電電流切換時間(Tdown)由OSC2端子-GND間連接的電容由如下的公式設定。
Tdown = Cosc2 × 0.4 × 109 (s)
(例)Cosc2=1500pF時,保持通電電流切換時間如下。
Tdown = 1500pF × 0.4 × 109 = 0.6 (s)
六、 參考電路圖

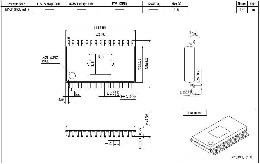
七、 封裝尺寸Package Dimensions

封裝:MFP30KR