
TB6560AHQ(峰值電流3.5A)
詳細參數:
低功耗、高集成的兩相混合式步進電機驅動芯片 THB6016H
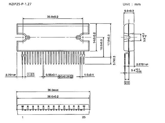
TB6560AHQ是低功耗、高集成的兩相混合式步進電機驅動芯片,該芯片內置雙全橋MOSFET驅動、溫度保護及過流保護,采用HZIP25-P-1.27封裝(尺寸:36×17mm),每相額定電流2.5A、最大峰值3.5A,最大工作電壓40V,最小4.5V,外圍電路簡單、工作可靠、使用方便。
本公司提供參考驅動電路,產品運行平穩、低振動、低噪音。
一、特性
● 雙全橋MOSFET驅動
● 耐壓40V
● 電流3.5A(峰值)
● 具有1/2細分、1/4細分、1/8細分、1/16細分運行方式可供選擇
● 內置溫度保護及過流保護
● 采用HZIP25-P-1.27封裝
● 外圍電路簡單
二、管腳說明
1、TQ2:電機力矩控制端,即可以選擇不同的工作電流,也可以在電機不轉時作半流鎖定功能
2、TQ1:

3、CLK:輸入脈沖
4、ENABLE:使能端
5、RESET:上電復位
6、地線
7、OSC:斬波頻率控制端:C=1000PF,f=44KHz;C=330PF,f=130KHz
8、VH:驅動電壓小于40VDC
9、MB:電機繞組B相
10、地線
11、RB:B相電流檢測端,須大于0.2Ω 0.2Ω/1W=2.5A 0.22Ω/1W=2.0A 0.3Ω/1W=1.5A 0.35Ω/1W=1.25A 0.47Ω/1W=1A
12、MB-:電機繞組B相
13、MA:電機繞組A相
14、RA:A相電流檢測端,須大于0.2Ω 0.2Ω/1W=2.5A 0.22Ω/1W=2.0A 0.3Ω/1W=1.5A 0.35Ω/1W=1.25A 0.47Ω/1W=1A
15、地線
16、MA-:電機繞組A相
17、空
18、VH:驅動電壓小于40VDC
19、TSD:溫度保護,芯片溫度大于150℃自動斷開所有輸出
20、VCC:5V穩壓電源
21:DIR:正反轉控制
22、M2:細分數選擇端
23、M1:細分數選擇端

24、PFD2:衰減方式控制端
25、PFD1:衰減方式控制端

斬波頻率說明:
電容值:450P
慢衰減:2細分 斬波時間:40us 占空比(高—低):4—36
快衰減:16細分 斬波時間:40us 占空比(高—低):20—20
電容值:150P
慢衰減:2細分 斬波時間:15us 占空比(高—低):1.5—13.5
快衰減:16細分 斬波時間:15us 占空比(高—低):7.5—7.5
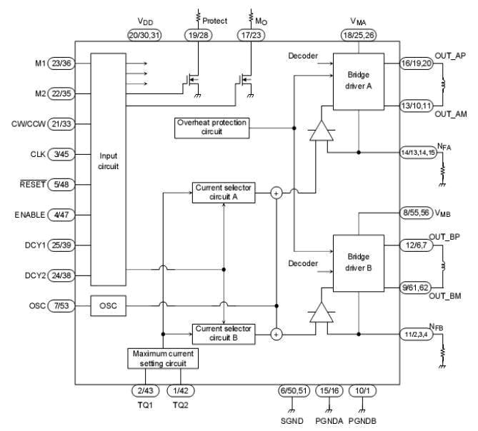
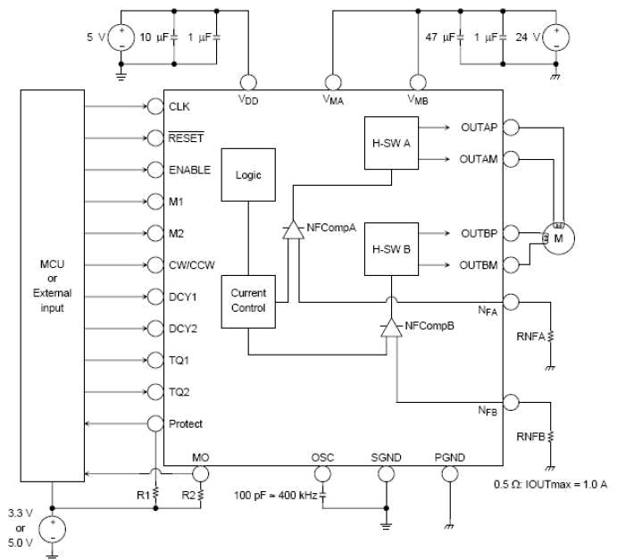
三、THB6016H原理圖


四、封裝圖
