1 醫療場所的供電解決方案
隨著電子醫療設備在醫院領域的廣泛應用,漏電流對病人構成的威脅也越來越大,尤其是那些生命攸關的場所,病人在手術中或麻醉狀態下,各種電極、傳感器直接插入人體內,微小的漏電流都有可能導致病人觸電身亡。因此,對于醫院這一特殊場所的電氣設計,應嚴格按照國家標準和規范進行。
1.1 醫療場所的分類及其電源選擇
根據《建筑物電氣裝置第7-710部分:特殊裝置或場所的要求 醫療場所》(GB16895.24-2005/IEC 60364-7-710:2002)將醫療場所按使用接觸部件所接觸的部位及場所分為了0類、1類和2類。規定如下:
0類醫療場所:不使用接觸部件的醫療場所,如醫院的門診室、候診室、按摩室等。
1類醫療場所:接觸部件接觸軀體外部及除2類醫療場所規定外的接觸部件侵入軀體的任何部分。如醫院的病房、產房、X光室等。
2類醫療場所:將接觸部件用于諸如心內診療術、手術室以及斷電(故障)將危及生命的重要治療的醫療場所。如醫院的手術室、心臟導管插入室、重癥監護室(ICU)、心臟監護室(CCU)、血管造影檢查室等。
不同場所的電源選擇:
在0類和1類醫療場所,由于無醫療設備使用,或相關設備僅使用在人體一些非致命性部位,所以可使用普通建筑物的電源設備和漏電保護措施。一般采用TN系統或TT系統,并配備剩余電流保護設備RCD,當發生漏電流超過30mA的漏電事故時,RCD動作,分斷故障回路。這樣即使造成醫療設備斷電,也不會對患者造成重大影響,醫生的診斷或治療也可重新開始。
在2類場所的患者,往往處于無行為能力的狀態,必須依靠某些醫療設備維持生命,或者處于手術狀態,任何有關醫療設備上的故障都將給患者帶來生命危險,所以,在電氣上必須保證醫療設備電源系統的可靠性,即保證設備對病人的直接漏電流不超過10μA,同時又要保證在漏電流或過電流狀態下,有不間斷供電的可靠保證。鑒于上述兩方面因素,IEC60364-7-710:2001標準規定在2類場所必須采用IT供電系統。我國在《民用建筑電氣設計規范》(JGJ 16-2008)第12.8.6條規定:在2類醫療場所內,用于維持生命、外科手術和其它位于“患者區域”內的醫用電氣設備和系統供電回路,均應采用醫療IT系統。
1.2 醫療場所配電方案設計符合的國家標準
方案設計符合以下國家標準:
◆ JGJ16-2008《民用建筑電氣設計規范》;
◆ GB16895.24-2005/IEC 60364-7-710:2002《建筑物電氣裝置 第7-710部分:特殊裝置或場所的要求 醫療場所》;
◆ GB7251.1-2005《低壓成套開關設備和控制設備 第1部分:型式試驗和部分型式試驗成套設備》。
1.3 配電方案的主要特點
◆ 與醫院的整體配電系統完美結合;
◆ 通過通訊總線實現信息的交互,便于系統的集中監控;
◆ 模塊化設計,集成度高,現場安裝方便;
◆ 隔離電源與供電電源完全隔離,提高供電的安全性和可靠性;
◆ 按照國家標準要求設計,并能很好滿足國內外市場需求。
1.4 醫療2類場所整體配電方案示意圖

1.5 針對不同場所的不同解決方案
1.5.1 ICU、CCU病房配電解決方案(以GGF-I8隔離配電柜系統圖為例)

方案配置表

1.5.2 手術室配電解決方案(以GGF-O8隔離配電柜系統圖為例)

方案配置表

2 醫用隔離電源柜
醫用隔離電源柜是針對醫療2類場所的供電需求而設計的具有局部IT系統的配電柜,IT系統裝設絕緣監測裝置來監測系統的絕緣狀況,各輸出回路采用了具有短路保護功能的斷路器;其它系統輸出回路則采用了具有漏電保護功能的斷路器。產品根據使用場所的不同分為GGF-O系列手術室用隔離電源柜和GGF-I系列ICU/CCU等病房用隔離電源柜兩大類,能夠很好的滿足各類手術室和重癥監護室對電源安全性和可靠性的要求,并符合GB16895.24-2005/IEC60364-7-710:2002《建筑物電氣裝置第7-710部分:特殊裝置或場所的要求—醫療場所》和GB7251.1-2005/IEC 60439-1:1999《低壓成套開關設備和控制設備》等標準

2.1 技術參數

2.2 產品命名規則

2.3 定貨信息

2.4 產品外形尺寸

3 AITR系列隔離變壓器
AITR系列隔離變壓器專門用于醫療IT系統,產品鐵芯采用日本進口的硅鋼片疊加而成,損耗很小。繞組與繞組之間采用了雙重絕緣處理,并設計了靜電屏蔽屏,最大程度減少了兩繞組之間的電磁干擾。繞組內安裝了PT100溫度傳感器,可用于監測繞組溫度。變壓器整體采用真空侵漆處理,增加了機械強度并具有抗腐蝕作用。另外,產品還采用了低溫升和低噪聲設計,使其具有很好的溫升性能和很低的噪聲。

3.1 命名規則

3.2 符合標準
◆ GB19212.1-2008/IEC 61558-1:2005《電力變壓器、電源、電抗器和類似產品的安全 第1部分:通用要求和試驗》;
◆ GB19212.16-2005/IEC 61558-2-15:1999《電力變壓器、電源裝置和類似產品的安全 第16部分:醫療場所供電用隔離變壓器的特殊要求》;
◆ GB16895.24-2005/IEC60364-7-710:2002《建筑物電氣裝置 第7-710部分:特殊裝置或場所的要求—醫療場所》。
3.3 性能參數

3.4 外形尺寸及選型


隔離變壓器外形尺寸
4 AIM-M100絕緣監測儀
AIM-M100絕緣監測儀是一款高性能的絕緣監測裝置,專用于醫療IT系統中,用于監測IT系統對地的絕緣狀態,當系統出現絕緣故障時,能夠及時發出報警信號,提醒工作人員根據實際情況進行處理。產品具有豐富的顯示與報警指示功能,界面友好,操作方便。

4.1 產品功能
◆ 具有對被監測IT系統對地絕緣電阻、變壓器負荷電流、變壓器繞組溫度實時監測與故障報警功能;
◆ 能實時監測與被測系統連線斷線故障、溫度傳感器斷線故障以及功能接地線斷線故障,并在故障發生時給出報警指示;
◆ 繼電器報警輸出、LED報警指示等多種故障指示功能;
◆ 采用先進的現場總線通訊技術,與外接報警和顯示儀、上位機管理軟件通訊,可以實時監控IT系統的運行狀況;
◆ 具有事件記錄功能,能夠記錄報警發生的時間和故障類型,方便操作人員分析系統運行狀況,及時消除故障。
4.2 符合標準
◆ GB16895.24-2005/IEC60364-7-710:2002《建筑物電氣裝置第7-710部分:特殊裝置或場所的要求—醫療場所》;
◆ IEC 61557-8-2007《交流1000V和直流1500V以下低壓配電系統電氣安全 防護檢測的試驗、測量或監控設備 第8部分:IT系統用絕緣監測裝置》。
4.3 技術參數
4.4 外形及安裝尺寸

5 AID100報警與顯示儀
AID100報警與顯示儀是一款基于MODBUS協議的遠程顯示和聲光報警裝置。能夠顯示監測數據,并在故障時發出聲光報警信號。該裝置可安裝于手術室或重癥監護室內的情報面板上,以便于醫院人員了解隔離電源系統的運行狀況,以及系統出現故障時的故障類型。

5.1 產品功能
◆ 具有絕緣電阻、變壓負荷率實時顯示功能;
◆ 可遠程設置絕緣監測儀的報警閾值;
◆ 采用現場總線通訊技術,可實時獲取絕緣監測儀的監測數據和報警信息;
◆ 故障時可以聲光報警,按下消音鍵后,聲音關閉,相應的故障指示燈不會熄滅,直到故障解除為止。
5.2 符合標準
◆ GB16895.24-2005/IEC60364-7-710:2002《建筑物電氣裝置 第7-710部分:特殊裝置或場所的要求 醫療場所》。
5.3 技術參數

5.4 外形及安裝尺寸

6 ACLP10-24直流穩壓電源
儀表專用的直流穩壓模塊,采用完全隔離的線性變壓器。具有輸出電壓穩定,紋波小、耐壓等級高等特點,并帶有電源上電指示功能。模塊采用標準導軌安裝的方式,可以和絕緣監測儀安裝在同一導軌上,安裝方便。

6.1 符合標準
◆ GB19212.1-2008/IEC 61558-1:2005《電力變壓器、電源、電抗器和類似產品的安全 第1部分:通用要求和試驗》;
◆ GB19212.16-2005/IEC 61558-2-15:1999《電力變壓器、電源裝置和類似產品的安全 第16部分:醫療場所供電用隔離變壓器的特殊要求》。
6.2 技術參數
6.3 外形及安裝尺寸

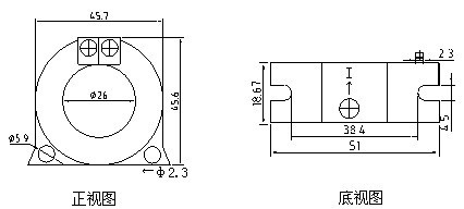
7 保護型電流互感器
AKH-0.66P26型電流互感器是與AIM-M100絕緣監測儀配套使用的保護型電流互感器,最大可測電流為50A,變比是2000:1,電流互感器采用螺絲直接固定的方式裝于機柜內部,二次側通過接線柱引出,安裝和使用方便。
7.1 技術參數

7.2 外形尺寸圖
