1.1 概述
“節能減排”目前已成為衡量企業未來可持續發展的重要指標。隨著電信、銀行以及大型企業業務的擴展,龐大的數據中心所帶來的管理維護費用和不斷攀升的電費已成為企業主管必須面對的問題。電氣隱患是如何產生的?電能是如何消耗的?安科瑞公司推出了數據信息中心基于導軌式安裝電力監控儀表的電源監控管理方案。該方案主要由觸摸屏、單相或三相交流信號采集單元、互感器構成,能對數據中心供電系統進行實時采集與顯示電壓、電流、有功功率、無功功率、功率因數、諧波和電能。
1.2 系統方案
1.2.1 電源監控配電方案
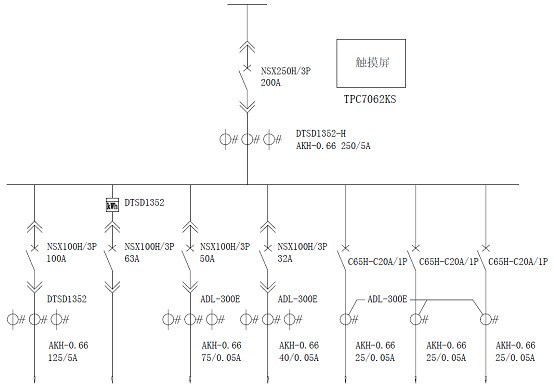
典型一次圖見圖1,DTSD1352-H、DTSD1352、ADL-300E監控儀表及TPC7062KS觸摸屏組成電力監控系統,監控儀表主要技術參數、指標及選型方案見表1。

圖1 電源監控一次配電圖
表1

1.2.2 組網結構圖
系統采用三層網絡分布式結構,子站直接由人機界面TPC7062KS屏進行監控、采集現場儀表,見圖2。

圖2 電源監控組網結構圖
1.3 電源進線監控
電源進線監控由顯示觸摸屏與DTSD1352-H組成。
1.3.1 觸摸屏
觸摸屏采用昆侖通態7英寸屏,型號為TPC7062KS,工作電源DC24V/30W,主要性能特點有,具有兩個可同時使用的串行口,用于多臺儀表通訊,可讀取所有儀表采集得到的數據,并能在線設置儀表的變比。觸摸屏采集得到的數據可通過RS232接口,以Modbus-RTU協議轉發給其它設備(如計算機),若需采用RS485傳輸,需另行加配RS485-RS232轉換器。
觸摸屏主要實現的功能是及時將各個儀表采集到的數據動態顯示到人機交互界面,在需要報警的時候進行報警或報警數據存儲上傳,以及實時、歷史報警顯示等。所能存儲的報警記錄大于20000條。
主要檢測數據對象有母線電流、電壓、功率、電能、母線諧波數據,各個支路電壓、電流、功率、電能,及各個支路的分合狀態。顯示以數字顯示、折線圖、柱狀圖為主,見圖3。

圖3 監控系統界面
觸摸屏安裝為嵌入式,觸摸屏面框尺寸226.5×163mm,開孔尺寸215×152mm。
觸摸屏也可選配其它廠家具有相同性能的產品。
1.3.2 母線電參數檢測儀表——DTSD1352-H
儀表不需要工作電源,功耗≤3W;電壓信號輸入,220V/380V 50Hz;電流信號輸入,不大于63A時直接輸入,63A以上二次輸入0~5A。主要功能有測量常規的三相交流電量,如相電壓、線電壓、電流、有功功率、無功功率、視在功率、功率因數等,其中功率與功率因數可同時檢測分相與三相總的參量;電能有四象限電能,包括吸收有功電能,釋放有功電能,感性無功電能,容性無功電能;以及測量電壓、電流總諧波含量,用戶可以方便的對供電電網質量進行分析。
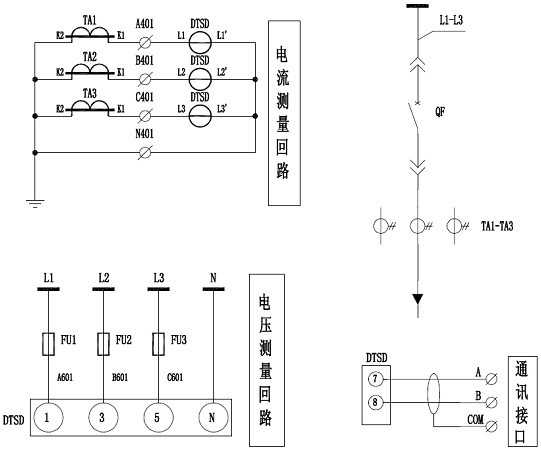
二次原理見圖4,DTSD1352-H在電流不大于63A時可直接接入,不需要經過電流互感器,大于63A時采用二次輸入0-5A。安裝結構為DIN35mm導軌,見圖5。

圖4 DTSD1352-H二次輸入原理圖

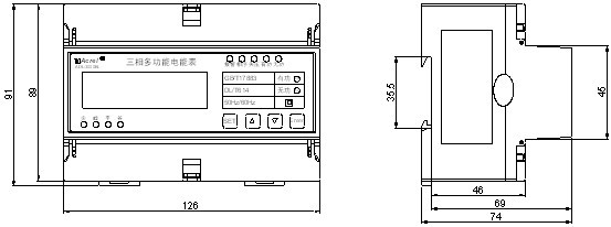
圖5 DTSD1352-H儀表外形及尺寸
1.4 支路監控
支路監控有2種監控方案。
1.4.1 大電流分支回路監控儀表DTSD1352
該儀表主要監測電流大于63A的回路。儀表不需要工作電源,功耗≤2W;電壓信號輸入,220V/380V 50Hz;電流信號輸入,一次電流不大于63A可直接輸入,63A以上二次輸入0~5A。主要功能有測量常規的三相交流電量,如相電壓、線電壓、電流、有功功率、無功功率、視在功率、功率因數等,其中功率與功率因數可同時檢測分相與三相總的參量;電能有四象限電能,包括吸收有功電能,釋放有功電能,感性無功電能,容性無功電能;該儀表可用于1個三相回路中也可用于3個獨立的單相回路。
二次原理同DTSD1352-H,見圖4。安裝結構為DIN35mm導軌,見圖6。

圖6 DTSD1352儀表外形及尺寸
1.4.2 小電流分支回路監控儀表ADL-300E
該儀表主要監測電流小于63A的回路。儀表工作電源,AC85~265V,功耗≤2W;電壓信號輸入,220V/380V 50Hz;電流信號輸入,二次輸入0~50mA。主要功能有測量常規的三相交流電量,如相電壓、線電壓、電流、有功功率、無功功率、視在功率、功率因數,其中功率與功率因數可同時檢測分相與三相總的參量;電能計量包括有功電能及無功電能;該儀表可用于三相回路中也可用于3個獨立的單相回路。
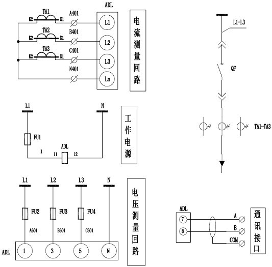
用于三相回路的二次原理見圖7,ADL-300E支持0.05A電流信號接入,電流互感器二次側不允許接地。

圖7 ADL-300E用于三相回路二次原理圖
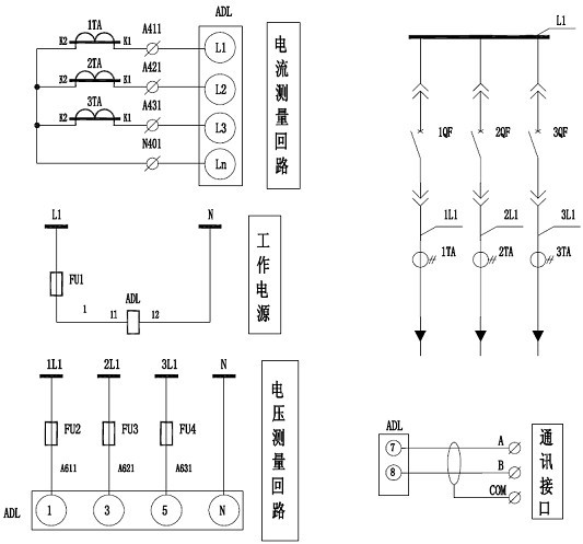
用于3個獨立的單相回路二次原理見圖8,ADL-300E支持0.05A電流信號接入,電流互感器二次側不允許接地。安裝結構為DIN35mm導軌,見圖9。

圖8 ADL-300E用于3個獨立的單相回路二次原理圖

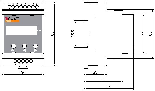
圖9 ADL-300E儀表外形及尺寸