1概述
Acrel-6000電氣火災監控系統是本公司自主研發的用于接收剩余電流式電氣火災探測器等現場設備信號,以實現對被保護電氣線路的報警、監視、控制、管理的運行于計算機的工業級硬件/軟件系統。本系統應用于大型商場、生活小區、生產基礎、辦公大樓、商場酒店等區域的消防控制中心,對分散在建筑內的探測器進行遙測、遙調、遙控、遙信,方便實現監控與管理。本系統采用標準的Modbus現場總線將具有通信功能的探測器相互連接起來,當現場保護線路中的被探測參數超過報警設定值時,能發出報警信號、控制信號,能指示報警部位并保存報警信息。本系統所接收的監控報警信號可根據探測器提供的信號種類進行相應的顯示、報警,包括分/合閘、剩余電流故障、過電流故障、電壓故障或溫度、煙霧等報警信號。
本系統結構合理、可靠性高、功能性強、維護方便、性價比高,軟件界面直觀、易用。
本系統符合中華人民共和國國家標準GB14287.1-2005《電氣火災監控系統 第1部分:電氣火災監控設備》。
2功能
2.1 監控報警
被監控單元實時狀態:分閘/合閘;
剩余電流型故障:故障單元屬性(部位、探測器型號);
聯動輸入:1路無源觸點;
監控報警響應時間:≤30s;
監控報警聲信號:手動消除,當再次有報警信號輸入時,能再次啟動;
監控報警光信號:紅色LED指示燈。
2.2 故障報警
監控設備與探測器之間的連接線斷路、短路;
監控設備主電源欠壓(≤80%主電源電壓)或過壓(≥110%主電源電壓);
當監控設備出現以上故障時,能發出與監控報警信號有明顯區別的聲光故障報警信號。
故障報警響應時間:≤100s;
故障報警聲信號:手動消除,當再次有報警信號輸入時,能再次啟動;
故障報警光信號:黃色LED指示燈;
故障期間,非故障回路的正常工作不受影響。
2.3 控制輸出
報警控制輸出:常開無源觸點,容量:AC250V 3A或DC30V 3A;
手動輸出:常開無源觸點,容量:AC250V 3A或DC30V 3A。
2.4 自檢
連接檢查:通信線路的斷路、短路;
面板指示燈檢查:手動檢查
自檢耗時:≤60s。
2.5 報警記錄
報警類型:故障事件類型、發生時間、故障描述;
報警事件查詢:根據記錄日期、故障類型等條件查詢。
報警記錄打印:存儲、查詢及打印報警記錄(選配)。
2.6 操作分級(琴臺式)
日常值班級:可進入軟件界面查看實時監測情況、消除報警聲音和查詢報警記錄;
監控操作級:可操作除針對系統本身的信息維護外的其他操作;
系統管理級:可操作系統的任何一個功能模塊。
3 技術指標
3.1 工作電源
主電源:AC220V 50Hz(允許85%~110%范圍內變化);
備用電源:主電源低電壓或停電時,維持監控設備工作時間≥30min。
3.2 工作制和傳輸方式
24小時工作制,Modbus-RTU通信協議,RS485半雙工總線方式,傳輸距離1km,可通過中繼器延長通訊傳輸距離。
3.3 監控容量
琴臺式:允許監控容量500點,500點以上須訂制。
壁掛式:允許監控容量≤50點。
3.4 外形尺寸(mm)
琴臺式:1174(H)×630(W)×530(D)
壁掛式:500(H)×400(W)×190(D)
3.5 主要組成部件
3.5.1 琴臺式
計算機:工業PC,Core 2 2.66G/1G/320G+鍵鼠 17”液晶顯示器,Windows XP,Acrel-6000電氣火災監控系統軟件;
輸入輸出模塊:內置本公司開發的ARTU遠程智能I/O模塊;
聲光報警器:內置五音信號揚聲器、LED指示燈、消聲按鈕;
備用電源:內置1kVA在線式長效型UPS。
主機面板元件布置及功能說明

1:報警指示燈(紅色),系統接收到監控報警信號時指示燈點亮。
2:故障指示燈(黃色),系統接收到故障報警信號時指示燈點亮。
3:運行指示燈(綠色),系統正常運行時指示燈點亮。
4:主電源指示燈(白色),使用主電源供電時指示燈點亮。
5:備用電源指示燈(白色),使用備用電源供電時指示燈點亮。
6:消聲按鈕(黑色),消除及恢復報警聲。
7:手動輸出按鈕(黑色),手動直接啟動報警狀態下控制被保護線路的控制輸出。
3.3.5.2 壁掛式
觸摸屏:TPC1062K
輸入輸出模塊:內置遠程智能I/O模塊
聲光報警器:內置蜂鳴器、LED指示燈
備用電源:內置500VA在線式長效型UPS
主機面板元件布置及功能說明

1:報警指示燈(紅色),系統接收到監控報警信號時指示燈點亮。
2:故障指示燈(黃色),系統接收到故障報警信號時指示燈點亮。
3:運行指示燈(綠色),系統正常運行時指示燈點亮。
3.4 軟件畫面


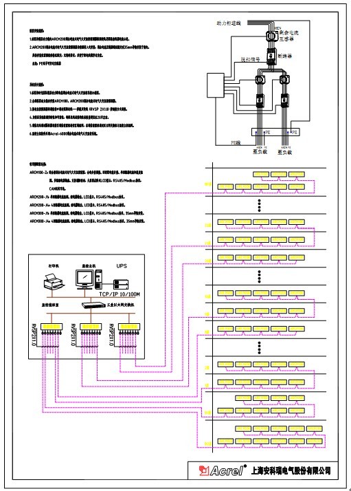
5系統方案:
