|
MSP430單片機在電力系統操作電源中的應用
秦濤 徐穎劉富利 韋鍵
(哈爾濱九洲電氣股份有限公司 哈爾濱150040 )
摘要:本文介紹在電力系統電磁干擾強度高的環境中MSP430單片機如何穩定控制開關電源的運行。
關鍵詞: MSP430F155 ; 開關電源; 控制;
This article introduces the application of MSP430 for D.C power supply equipment of the power system.
Qin Tao , Xu Ying, Liu Fuli, Wei Jian
(Harbin Jiuzhou Electric Co.,LTD Harbin 150040)
Key: MSP430F155; power supply; control;
0引言
隨著電力系統現代自動化水平的提高以及高頻開關電源結構的日趨復雜,促使人們采用新的控制手段來迅速反映模塊變化,以大幅度提高開關電源模塊穩定運行水平.在整個控制系統中,要求處理采樣數據及采用的算法也越來越多.傳統的微處理器如MSC51系列等單片機由于內部集成資源相對少、外圍電路復雜、系統抗干擾能力差、不擅長數據處理的缺點以逐漸不能滿足高科技水平的需要.
MSP430系列單片機是美國德州儀器(TI)1996年開始推向市場的一種16位超低功耗的混合信號處理器.該單片機將大量的外圍模塊整合到片內,采用存儲器-存儲器結構,即用一個公共空間對全部功能模塊進行尋址,同時用16位精算指令組(RISC)對全部功能模塊進行操作,其RAM單元也可實現運算.在MSP430系列單片機中,系統各個功能模塊完全是獨立運行的.因其是在DSP的基礎上發展起來的,所以具有DSP的一些優點。其主要技術特點如下:1、超低功耗。2、強大的處理能力。3、高性能模擬技術及豐富的片上外圍模塊。4、系統工作穩定。5、方便高效的開發環境。
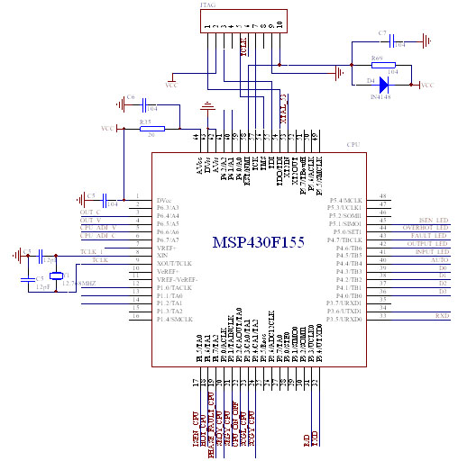
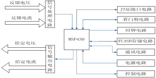
本系統采用MSP430F155型號單片機,系統總體結構圖如下:
1 系統設計
1.1最小系統的設計
MSP430F155單片機具有非常豐富的片內資源,因此,最小系統無需配置過多的外圍接口芯片就可滿足本系統要求,其最小系統組成如系統整體結構圖所示。
本系統基礎時鐘LFXT1振蕩器工作在低頻模式,外接低速晶振,作為內部時鐘源。LFXT2振蕩器外接8M晶振,工作于高頻模式,作為其他外圍模塊的時鐘源。
電源對A/D轉換的精度有直接的影響,數字、模擬需要分別供電,并且電源連接接地點的旁路電容采用鉭電容和磁片電容并聯的方式,大大減少了噪聲的影響,提高了供電質量及A/D轉換精度。在模擬地和數字地之間接入反向并聯的二極管對,以消除低于700mV的電壓差。或者在模擬地和數字地之間接入一個0歐姆的電阻,以減少模擬地對數字地帶來的噪聲干擾,為單片機的穩定工作提供了良好的環境。用戶通過JTAG接口進行程序下載,實現CPU仿真調試功能。
1.2 邏輯電平轉換電路
目前,很多設計中3V(含3.3V)邏輯系統和5V邏輯系統共存。隨著更低電壓標準的引進,不同電源電壓邏輯器件間的接口問題會在很長一段時間內存在問題。
1.2.1 邏輯電平轉換的必要性
在混合電壓系統中,不同電源器件相互接口會存在3個問題:輸入和輸出最大電壓限制問題;兩個電源間電流的互串問題;輸入轉換門限問題。
器件對加到輸入腳或輸出腳的電壓通常是有限制的。這些引腳有二極管或分離元件接到Vcc。如果接入的電壓過高,則電流將會通過二極管或分離元件流向電源。例如3V器件的輸入端接上5V信號,則5V電源將會向3V電源充電。持續的電流將會損壞二極管和電路器件。在等待或掉電方式時,3V電源降落到OV,大電流將流通到地,這使總線上的高電壓被下拉到地,這些情況將引起數據丟失和元件損壞。另外,用5V器件來驅動3V器件有很多不同情況,同樣TTL和CMOs間的轉換電平也存在不同情況。驅動器必須滿足接收器的輸入轉換電平,并要有足夠的容限保證不損壞電路元件。
1.2.2 邏輯電平接口電路設計
本系統是混合邏輯電平電路:MSP430是典型的低工作電壓芯片(1.8-3.6),通訊芯片ADM2483采用的5V供電。在此選用74LVC07作為  邏輯電平接口芯片。74LVC07是一種雙電源的電平移位器,電路如下圖所示。VDD1端用5V電源供電,而VCC端用3. 3V電源供電。
74LVC07的電平移位在其內部進行。雙電源能保證兩邊的輸出擺幅都能達到滿電源幅值,并且有很好的噪聲抑制性能。因此,該器件作為混合邏輯電平電路中的接口芯片是很理想的。
1.3 模擬量取樣與變換電路
模擬量取樣與變換電路主要完成強電信號與弱電信號之間的隔離和變換,該電路包括電壓信號分壓電路、電流信號放大電路、電平提升電路和濾波電路等。
1.3.1 電壓信號轉換電路
采集電壓范圍不適合MSP430F155的要求,應對其信號進行縮小處理。用分壓電阻將分壓降至MSP430F155所需要的幅值VSE+。VSE+電壓幅值用運放搭建的跟隨器輸出OUT-V,直接給單片機使用。圖中的電位器微調,用于調整單片機系數。
1.3.2 電流信號放大電路
高頻開關電源輸出電流也隨著負荷變化,在幾安培到三十安培之間變化。模塊采用30A/75mV的分流器,將輸出的電流信號轉換為電壓信號,并通過放大電路把電壓信號升高到MSP430F155允許的幅值。運算放大器視精度要求使用,使用性能較好的運算放大器較容易達到較高的精度和較好的穩定性。此處選用BB公司的高精度運放OPA177。ISE-通過分流器采樣的毫幅級電壓值,經過調節反饋電位器VR3和R28的阻值得到IOC,再通過跟隨器及電位器VR2微調,以符合單片機采樣信號是電壓信號的要求。由于分流器的輸出和運放的地連在一起,減小了共模干擾。
1.3.3 輸出信號的給定放大電路
單片機通過D/A給定兩個電壓值分別控制輸出電壓的電壓環和限流的電流環,以達到控制輸出的目的。
由于MSP430F155系列的單片機D/A電壓輸出的最大幅值為VCC,達不到控制電壓環和電流環所需要的幅值,從而采用下圖所示的運算放大電路,V_DW所接的是電位器,它的位置是在前面板上,通過調節電位器改變電壓參數,達到調節輸出電壓的目的。
1.4 通訊電路
通訊模塊是本系統的一個重要組成部分,控制器通過通訊模塊實現歷史運行數據及有關信息的上傳和基本參數、控制命令等的接收,能否設計一個較為成功的通信電路將直接影響到控制器的調試、功能及其可用性。
由于30A高頻開關電源模塊模擬和數字共地,噪聲干擾強度大,使ADM2483的5V電源畸形波動,最終導致通訊不能正常工作。所以ADM2483供電的5V電源是經過DC-DC轉換所得。B0505S的輸出電流100mA滿足供電需求。 ADM2483內部采用磁耦隔離 2 本系統采用MSP430F155的軟件設計
本系統的軟件設計使用C語言。并采用模塊化結構設計,將各功能模塊設計為獨立的編程調試程序塊,這樣不僅有利于今后實現功能擴展,而且便于調試和連接,更有利于程序的移植和修改。其結構如下圖所示。
系統程序由數據采集模塊、參數計算模塊、中斷報警模塊、內部存儲模塊、通訊中斷模塊、控制模塊等幾個組成部分主程序流程圖如下:
下面分別介紹各主要模塊設計:
2.1 數據采集模塊設計
MSP430F155內部集成的12位精度的A/D轉換模塊內置參考電平發生器和采樣保持電路,最大采樣速率達200Ksps,轉換時間短,能適應輸入信號的變化,且具有很強的抗干擾能力,能夠滿足系統的需要。控制器對二個信號進行采樣,對應A/D轉換通道的3, 4通道,分別為:模塊的輸出電壓和輸出電流。
為了確保采樣點在同一個采樣周期內,軟件采用定時中斷采樣法。定時中斷時間t=T/N,其中t為定時中斷時間,N為采樣的點數,采樣點數的選擇還要考慮測量數據的精度和運算速度的因素。以滿足MSP430F155運行的需要。
本系統高頻晶振為8MHz,用TimerB作為定時中斷器,定時器計數值為8000,即每隔1000us采一個點,每秒可采1000個數據。采集程序流程如下圖所示。
2.2 參數計算模塊設計
控制器在現場運行中,總是存在著各種各樣的現場干擾,為了保證控制器可靠的進行控制操作,必須盡可能大的抑制各種干擾和測量所引入的隨機誤差。為此,本系統除了在硬件上采用濾波技術之外,在軟件算法中采用數字濾波。
常用的數字濾波算法有以下幾種:
2.2.1 程序判斷法程序判斷法又稱限幅濾波法,其方法是把兩次相鄰的采樣值相減,求出增量(以絕對值表示),然后與兩次允許的最大差值△Y進行比較,△Y的大小由被測對象的具體情況而定,若小于或等于△Y,則取本次采樣值;若大于△Y;則取上次采樣值作為本次采樣值,即
|Yn一Yn-1|≤△Y,則Yn有效,
|Yn一Yn-1|<△Y,則Yn-1有效.
2.2.2 中值濾波法對某一參數連續采樣N次(一般為齊次),將N次采樣值按從小到大排隊,再取中間值作為本次采樣值。
2.2.3 算術平均濾波法對連續N次采樣值進行算術平均,其數學表達式為Y 其中Y為平均值,Y為第i次采樣值。算術平均濾波法對信號的平滑程度完全取決于N. N越大,平滑度越高,靈敏度越低。反之,平滑度低,靈敏度高。
軟件設計中,采樣的電壓、電流均采用了軟件濾波算法。由于本系統的實時性要求不是很高,而可靠性要求較高,因而濾波算法選取主要考慮計算的穩定。為了提高系統的計算速度,所有的計算均是邊采樣邊計算。
2.3 通訊模塊設計
要保證通訊成功, 單片機必須能處理以下問題:單片機可以識別外部傳來的附加在命令之上的數據:單片機應該能夠識別無效指令通信中,單片機應能處理一些通信錯誤,并對錯誤做出相應的處理;不管收到任何傳送給本機的命令,本機都應做出相應的響應。通信協議包含下面幾個部分的內容:命令部分、數據部分、編號部分、誤檢測部分和起始字、結束字。
2.4 FLASH型信息存儲器讀寫程序設計
在惡劣的工作環境中,測控系統常常受到各種干擾。干擾的主要影響之一是破壞了系統正常工作所需的各種可編程常數以及測控得到的測量數據,從而使得整個系統的可靠性大為降低。因此,保護這些要求非易失性存儲的關鍵數據不被破壞、確保數據的安全性對于測控系統來說是至關重要的。
本系統中,一些參數要由用戶來設定,在系統斷電以后,要求這些參數不會丟失。MSP430F155芯片集成有256字節的FLASH信息存儲器,而且在編程時可以通過修改配置文件來將屬于程序存儲空間的地址劃分為信息存儲空間以適應所需保存的數據量的要求,因此,從數據的可靠性以及保存的數據量、擦寫次數和硬件成本等因素考慮,本系統利用MSP430F155芯片片內集成的FLASH信息存儲器來記錄系統參數。
3 軟件抗干擾設計
3.1 開關量輸入輸出的抗干擾措施
干擾信號一般都是很窄的脈沖,而開關量信號持續有效的時間較長。根據這一特點,可以對同一開關量信號連續多次采集或間隔一個很短的時間多次采集。間隔的時間可以根據有用信號的寬度和要求相應的速度來確定,連續兩次或兩次以上采集的結果完全相同才一認為有效。
在系統中,常常會用開關量輸出電路來IGBT等執行機構。這些執行機構動作時,往往產生干擾信號,有時這些干擾信號會通過公用線路反饋到輸出接口,可能改變輸出寄存器的內容,造成誤動作。最有效的軟件解決辦法就是重復輸出相同的數據給外部負載。如有可能,重復周期盡可能地短,使外部設備收到干擾信號還來不及作出反應,正確的輸出信息又送到了,這樣就可以防止誤動作。
3.2 模擬量輸入輸出的抗干擾素措施
干擾信號作用到模擬量輸入通道上,使A/D轉換結果偏離真實值口對于微弱的模擬量信號,問題更為嚴重。如果僅僅采樣一次,無法確定結果是否可信,必須多次采樣,對采樣序列值經過比較和處理后,才能得到一個較為可信的轉換值。亦即進行數字濾波。
數字濾波的方法有很多種,比如算術平均值濾波、加權平均值濾波、滑動平均值濾波、慣性濾波等。在本系統中,A/D濾波采用中值濾波法、算術平均值濾波等,以減少系統的隨機干擾對采樣結果的影響。
3.3程序執行過程中的抗干擾素措施
如果干擾信號通過某種途徑作用到CPU上,則CPU就不能按正常執行狀態執行程序而引起混亂,即程序“跑飛”。程序“跑飛”后往往將一些操作數當作操作碼來執行,從而引起整個程序的混亂。采用“指令冗余”,就是在一些關鍵的地方人為地插入一些單字節的空操作指令。當程序“跑飛”到某條單字節指令上時,就不會發生將操作數當成指令來執行的錯誤,即該條指令不會被前面沖下來的失控程序拆散,而會得到完整的執行,從而使程序重新納入正常軌道。
另一種軟件抗干擾素措施即所謂“軟件陷阱”。“軟件陷阱”是一條引導指令,用來捕獲跑飛的程序并強行將捕獲的程序引向一個指定的地址,在那里有一段專門處理錯誤的程序。通常軟件陷阱都安排在正常程序執行不到的地方,故不會影響程序的執行效率。
如果“跑飛”的程序落到一個臨時構成的死循環中,冗余指令和軟件陷阱都將無能為力,這時只有采用復位的方法強迫程序從頭開始重新運行來使系統恢復正常。最常用的一種自動復位方法就是采用“看門狗”。
4 結束語,
綜上所述, MSP430單片機通過軟件和硬件的設計,充分地在它的抗干擾性、運算速度快等性能。在電力系統操作電源中可以安全、穩定的運行。達到了預期的設計要求,并且已經在正式的產品中開始應用。
參考文獻
1.沈建華 楊艷琴 翟驍曙 MSP430系列16位超低功耗單片機原理與應用 清華大學出版社
2.秦龍 MSP430單片機C語言應用程序設計 電子工業出版社
3.胡大可 MSP430系列超低功耗16位單片機 北京航空航天大學出版社
|