|
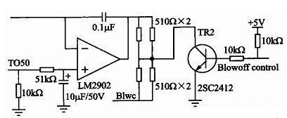
現在汽車上使用的電器越來越多,駕駛員需要手動操作的電器開關也越來越多,不但增加了駕駛員的負擔,還影響了行車安全。本文以STM32F103VET6(以下簡稱STM32)芯片為控制核心,采用高性能LD3320語音識別芯片,設計基于語音識別的汽車空調控制系統。該系統可以用語音有效控制汽車空調,減輕了駕駛員的操作負擔,保證行車過程中的安全。 1 系統硬件設計 運用語音識別技術,結合各種傳感器對車身內外的環境(如氣溫、陽光強度等)以及制冷壓縮機的狀態等多種參數進行實時檢測,與設定參數相比較,微控制器經過運算處理做出判斷,輸出相應的調節和控制信號。執行機構經過實時調整和修正,實現對車廂內空氣環境全方位、多功能的調節和控制。系統的執行機構主要包括溫度風門電機、模式風門電機、循環風門電機、鼓風機、壓縮機、除霜控制繼電器等。圖1為系統結構框圖。  1.1 主控制器 主控制器為基于ARM Cortex—M3內核的32位微控制器STM32F103VET6,內置64 KB RAM、512 KBFlash,以及豐富的增強I/O端口和聯接到兩條APB總線的外設,主要控制傳感器模擬信號的采集、語音信號的收發和汽車空調控制信號的輸出。 1.2 語音識別模塊 語音識別芯片選用的是ICRoute公司的LD3320芯片。該芯片集成了語音識別處理器和一些外部電路,包括A/D轉化器、D/A轉換器、麥克風接口、聲音輸出接口等。本芯片在設計上注重節能與高效,不需要外接任何的輔助芯片(如Flash、RAM等),直接集成在現有的產品中即可以實現語音識別功能。識別的關鍵詞語列表是可以任意動態編輯的。  參照LD3320數據手冊,語音識別控制電路采用LD3320與STM32通過SPI串行方式進行連接。語音識別模塊控制電路如圖2所示。首先,要將MD接高電平,芯片時鐘信號CLK連接到STM32時鐘信號輸出引腳MCO(PA8)上。引腳MBS是麥克風偏置,接了一個RC電路,保證能輸出一個浮動電壓給麥克風。 1.3 SD卡存儲模塊 要實現具有人機交互功能的語音識別控制系統,需要存放大量的MP3音頻文件。本系統中,MP3音頻播放文件存放在SD卡上,語音識別關鍵詞也存放在SD卡上,這樣可以很方便地更改要識別的關鍵詞,而不需要更改程序內容。主控STM32將MP3數據依次從SD卡讀出來,送入LD33 20芯片內部,這樣就可以從芯片的相應的引腳輸出聲音。SD卡硬件連接如圖3所示。SD卡與STM32通過SPI方式進行通信。將SD卡片選信號CS、數據輸入信號DI、數據輸出信號DO、時鐘信號SCLK分別與STM32的PC11、PD2、PC8、PC12引腳連接。  1.4 傳感器模擬信號輸入模塊 傳感器模擬信號是控制系統的輸入信號源。傳感器把非電量的物理量變成電量后并不一定適合A/D轉換器直接應用,還必須經過放大、濾波、隔離及保護措施,才能送給單片機。單片機通過檢測這些傳感器信號來判斷系統的溫度、濕度等是否滿足用戶的要求。以車內溫度傳感器為例分析,溫度信號采集硬件連接圖如圖4所示。本系統采用NTC公司的高精度車內溫度傳感器Rntc,Rntc和電阻R0分壓后輸入到單片機。Rntc電阻值可以近似地用如下公式表達:  其中,R1為絕對溫度下T1時的電阻值,T為要檢測的溫度,Rntc為該溫度下的電阻值,B值反映了溫度變化與阻值變化的關系。單片機信號輸入端得到的電壓為:  根據公式(2)電壓計算出當前溫度傳感器的電阻,再由公式(1)計算出要檢測的溫度。 1.5 壓縮機驅動模塊 壓縮機的動力是由發動機提供的,連接發動機和壓縮機的重要電子部件是電磁離合器。根據汽車空調運行情況和壓縮機開關的工作電壓,單片機控制繼電器吸合或斷開,以此控制壓塑機電磁離合器的吸合與斷開。當蒸發器溫度一旦低于設定值,壓縮機就停止工作;反之,壓塑機保持正常工作,開始制冷。汽車空調蒸發器就是一個熱交換器,通過熱交換將進入蒸發器的氣體變為冷風,從而達到制冷的目的。控制蒸發器溫度是空調自動控制系統的重要任務。  1.6 風門電動機驅動模塊 汽車空調伺服電機選用直流電動機。伺服電機根據功能分為內外循環電動機、混合風門電動機、模式風門電動機。電機采用兩個TA8083F系列芯片驅動,每個芯片可以驅動兩個伺服電機。該芯片的輸入端口可以直接和單片機連接,STM32單片機的PE0~PE3引腳分別與驅動芯片DI1A、DI2A、DI1B、DI2B引腳相連接。其硬件電路如圖5所示。  根據輸入信號的不同,電機工作狀況也不同,具體的工作情況如表1所列。  1.7 鼓風機驅動模塊 鼓風機驅動電路如圖6所示。用四合一集成運算放大器LM2902將單片機的PWM輸出信號T050放大,經放大后的信號Blwc傳送給風機調速模塊,從而調節鼓風機的轉速。單片機輸出信號Blowoff control作為控制鼓風機的開關信號。2SC2412作為控制鼓風機運轉的開關。當單片機輸出高電平時,2SC2412導通,鼓風機停止運轉;當單片機輸出低電平時,2SC2412反向截止,鼓風機正常運轉。  1.8 后除霜驅動模塊 前、側擋風玻璃上的霜層通常是通過在汽車空調系統的風道中,調整模式風門的位置,利用空調系統中產生的暖氣(或流動的空氣),達到清除結霜的目的。對后擋風玻璃的除霜,常采用除霜熱線。除霜熱線是把數條電熱線(鎳鉻絲)均勻地粘在后窗玻璃內部,各線兩端相接,形成并聯電路。當兩端加上電壓后,電熱線就會升溫而加熱玻璃,從而達到防止或清除霜層的目的。后除霜控制電路如圖7所示。IG2為汽車空調電源,單片機輸出信號Defr通過三極管NIF5002N來控制繼電器的通斷,從而控制除霜熱線的通斷,來達到后除霜的目的。 2 系統軟件設計 本系統軟件設計采用C語言開發,用Keil uVision4軟件進行編譯。開發過程按照模塊化分塊進行,系統的主要模塊包括語音識別模塊、語音播放模塊、SD卡模塊以及空調控制模塊。 2.1 語音識別模塊 語音識別模塊采用中斷的方式進行工作,其工作流程大致為芯片初始化、寫入識別列表、開始識別、中斷響應并獲取識別結果。語音識別流程如圖8所示。在初始化程序里,主要完成軟復位、模式設定、時鐘頻率設定和FIFO設定。在寫入識別列表之前,首先要讀取寄存器B2的值,檢查LD3320是否處于空閑狀態;然后,把識別語音列表信息寫入LD3320的05和B9寄存器中,每個識別條目是標準普通話的漢語拼音(小寫),每兩個漢語拼音之間用一個空格間隔。在完成添加語音識別列表后,設定寄存器35的值為45H。此處設定的值越大,代表麥克的音量越大,識別距離也越遠,但是可能產生較多的誤識別;值越小代表麥克的音量越小,需要近距離說話才能啟動語音識別功能,識別率也高。設定寄存器37值為06H,啟動語音識別,即可開始語音識別。如果麥克風采集到聲音,不管是否識別出正常結果,都會產生一個中斷信號。進入中斷函數后,首先清零寄存器29和寄存器02;然后,檢查B2寄存器是否為0x21。若值為0x21,表示閑,可以檢測2B的值;若為1,表示語音識別有結果產生。寄存器BF讀到數值為0x35,可以確定是一次語音識別流程正常結束。寄存器BA表示語音識別有幾個識別候選結果。最后,可以讀取寄存器C5,獲取識別結果。  2.2 語音播放模塊 語音播放的軟件設計流程包括通用初始化、MP3播放初始化、播放音量調節、開始播放聲音以及中斷響應。通用初始化時,首先連續讀取寄存器06,相當于激活了芯片;然后,按順序設置相關寄存器的值。MP3播放初始化時,首先要設置寄存器BD的值為02H,啟動MP3播放模塊;然后,向寄存器17寫入48H,激活DSP。語音播放模塊的音量分為16級,用4位二進制表示,這里需要設置寄存器8E的第2~5位的值來調節播放音量。當播放語音時,首先需要清零,開始播放位置。將寄存器1B的第3位設為1,然后執行循環。當播放條件為真時,順序將MP3數據放入寄存器01(每次1個字節),播放位置值增加1。當寄存器06的第3位等于0或者播放位置小于MP3文件的總長度時,就跳出循環。等到芯片播放該段后會發出中斷請求,而中斷函數會不斷接收數據,直到FIFO-DA-TA裝滿或聲音數據結束。 2.3 SD卡模塊 此模塊分為SD卡初始化和SD卡數據讀取。SD卡初始化時,在發送CMD命令之前,在片選有效的情況下,首先要發送至少74個時鐘,否則將有可能出現SD卡不能初始化的問題。然后,就可以發送復位命令CMD0。發送復位命令后等待8個時鐘周期,進入SPI總線模式,接著發送CMD1命令。如果正確接收響應信號,表示SD卡初始化完成,可以接受后續讀寫命令。初始化完成后,發送CMD17讀命令。判斷響應值是否全為0,然后,判斷接收數據開始令牌是否為0xfe,如果是,就可以接收正式數據和CRC碼。 2.4 空調控制模塊 空調控制模塊主要包括信號采集模塊、風門電機控制模塊、鼓風機控制模塊、壓塑機控制模塊、后除霜控制模塊5個子模塊。空調控制流程如圖9所示。首先,進行系統的初始化。若點火開關正常啟動,信號采集模塊開始采集傳感器數據,根據采集到的數據,判斷是否滿足風機啟動條件。若滿足條件,則設置風機PWM占空比,進而調節風量的大小。當風量大小滿足要求時,接下來就要判斷是否滿足壓縮機的啟動條件。若滿足條件,啟動壓縮機;如果不滿足條件,則判斷風門位置是否滿足條件。如果不滿足條件,則調節風門電機轉動,直到滿足條件。最后,判斷是否滿足除霜條件,若滿足則啟動后除霜繼電器。  在軟件設計上,采用了指令冗余、軟件陷阱和重復設置各種工作方式控制字等方法,消除干擾。使用“Watchdog”定時器,實時監測程序的運行;運用CPU運算與控制功能,采用算術平均法,實現數字濾波,消除傳感器通道的千擾信號。 結語 本文介紹了基于語音識別的汽車空調控制系統,分別對硬件電路和軟件設計進行了詳細的介紹。本系統開發成本低、性能優越,系統測試表明,本系統具有一定的應用價值,可以用于中低檔汽車。
|