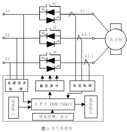
一、軟啟動設備的工作原理
在三相電源與電機間串入三相反并聯晶閘管(可控硅整流器),利用晶閘管移相控制原理,啟動時電機端電壓隨晶閘管的導通角從零逐漸上升,電機轉速逐漸增大,直至達到滿足啟動轉矩的要求而結束啟動過程,此時旁路接觸器接通(避免電機在運行中對電網形成諧波污染,延長晶閘管壽命),電機進入穩態運行狀態,停車時先切斷旁路接觸器,然后由軟啟動器內晶閘管導通角由大逐漸減小,使三相供電電壓逐漸減小,電機轉速由大逐漸減小到零,停車過程完成。
啟動時,使晶閘管的導通角從0開始,逐漸前移,電機的端電壓從零開始,按照預設函數關系逐漸上升,直到達到滿足啟動轉矩而是電動機順利啟動,再使電機全電壓運行。
從工作原理上看,軟啟動器實際上是一個調壓器,輸出只改變電壓,并沒有改變頻率。這一點與變頻器不同。
二、軟啟動設備的優點
軟起動的優點是:
1)、起動時無沖擊電流,通過逐漸增大晶閘管導通角,使起動電流從零線性上升至設定值;
2)、屬恒流起動,軟起動器可引入電流閉環控制,使電動機在起動過程中保持恒流,確保電動機平穩起動;
3)、可根據負載情況及電網繼電保護特性選擇,能自由地無級調整至最佳的起動電流。
4)、可以頻繁的啟動電動機,軟啟動允許10次/小時,而不致電動機過熱。
(籠型電動機傳統的減壓起動方式有:Y-△起動、自耦減壓起動、電抗器起動等,皆屬于有級減壓起動,其缺點是在起動過程中會出現二次沖擊電流。)

當電動機全速運行后,用旁路接觸器來取代已完成任務的軟起動器,以降低晶閘管的熱耗,提高系統效率。在這種模式下用一臺軟起動器起動多臺電動機。
