|
軟啟動器以體積小,轉矩可以調節、啟動平穩沖擊小并具有軟停機功能等優點得到了越來越多的應用,大有取代傳統的自耦減壓、星-角等啟動器的趨勢。由于軟啟動器是近年來新發展起來的啟動設備,在設計、安裝、調試和使用方面還缺少指導性的規范與規程。我們在軟啟動器的安裝、調試工作中也遇到了一些實際技術問題。例如:不同啟動負載軟啟動器的選型、軟啟動沖擊電流與過流保護定值的配合、軟啟動設備容量與變壓器容量的關系等問題。
1、軟啟動器簡介
目前,市場上常見的軟啟動器主要有電子式、磁控式和自動液體電阻式等類型。電子式以晶閘管調壓式為多數。變頻器在某種意義上也是一種軟啟動器,而且是能夠真正地實現軟啟動的啟動器,只是造價要高些。
晶閘管式軟啟動器是串接在電源與電動機之間的三組正反向并聯的晶閘管,通過微電腦控制觸發導通角實現交流調壓。晶閘管式軟啟動器的啟動方式有斜坡電壓型、突跳加斜坡電壓型和限流型等可供選擇。
磁控式軟啟動器是利用磁放大器原理制造的串聯在電源和電動機之間的三相飽和電抗器構成的軟啟動裝置。啟動時通過數字控制板調節磁放大器控制繞組的激磁電流,改變飽和電抗器的電抗值調節啟動電壓降,實現電動機軟啟動。
不論晶閘管式軟啟動器還是磁控式軟啟動器在啟動時只能調節輸出電壓,達到控制啟動時的電壓降、限制啟動電流的目的。一般的軟啟動器不能調節電源頻率,也就不能象變頻器那樣從零頻零壓開始啟動電動機,實現無沖擊啟動。實際上軟啟動器在啟動設備時還是要產生一定的沖擊電流的;斜坡電壓型控制軟啟動器的啟動時的電壓、電流變化曲線見圖1所示。晶閘管式軟啟動器采用斜坡電壓啟動時,開始時要使軟啟動器輸出一個初始電壓(初始電壓在80~280V之間可以調節),使電動機產生足以克服機械設備的靜摩擦的初始轉矩,拖動設備開始轉動,啟動電流為Is。在微電腦的控制下,繼續增加輸出電壓使電動機加速。當軟啟動器的輸出電壓接近額定電壓時,電動機就已達到額定轉速,Is降為負荷電流In。啟動時間t1結束時,軟啟動器輸出額定電壓并發出旁路信號,使旁路接觸器閉合,軟啟動器停止輸出電壓,電動機轉入正常運行。軟啟動的初始轉矩可以通過給定初始電壓和啟動時間進行調節,控制啟動電流在2~4.5倍電動機額定電流以內。
低壓軟啟動器的停車方式主要有自由停車,軟停車,制動停車三種。傳統的電動機停車方式常用自由停車,但有許多應用場合,自由停車會產生很大問題,如高層建筑的水泵系統,如果采用自由停車,會產生巨大的“水錘”效應,使管道、水泵損壞。因此利用軟停車可以消除自由停車帶來的這種反慣性沖擊。在停車時刻t2發出停車指令,電動機的端子電壓從Un緩慢下降,在電壓下降瞬間電動機電流會有一個小的電流沖擊,然后電動機電流會隨電壓的下降而下降,直至電動機停下來。
2、低壓軟啟動器選用時應注意的問題
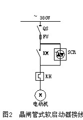
2.1低壓軟啟動柜電氣接線與元件排列
一般低壓軟啟動柜的電氣接線如圖2所示。柜內電氣元件按圖示順序排列,作到主接線簡短不交叉,便于銅排連接。軟啟動器安裝在接觸器的右側不受其他元件發熱的影響。軟啟動器與控制柜邊壁及其他元件間距要求≥100mm,方便軟啟動器散熱。
2.2軟啟動器選型
除了技術、性能、價格比較外,還要考慮設備現場的電網容量、設備啟動負荷輕重、啟動頻繁程度等具體條件。

對于水泵類啟動負載較輕的設備,可選擇功能簡單、價格較低、操作方便的軟啟動器。這類設備根據電動機額定功率,選用樣本規定的相同容量的軟啟動器就能滿足需要。對于大型風機、破碎機等啟動負荷比較重的設備,應該選用啟動功能比較多、有限流啟動功能、自身保護比較齊全的軟啟動器。尤其功率比較大的設備(200KW以上),最好選用啟動功能比較全的高性能軟啟動器。
2.3隔離器和熔斷器選擇
軟啟動柜中的隔離電器,可以選用隔離開關也可以選用具有隔離功能的塑殼斷路器。小功率軟啟動柜宜選用隔離開關熔斷器組合的刀熔開關。不但起到隔離保護作用,還可以降低工程造價。隔離開關的額定電流大于電動機額定電流就可以滿足運行要求。
由于軟啟動器中晶閘管的浪涌焦耳積分(I2t)值有限,選用斷路器做短路保護裝置不能有效保護晶閘管元件。建議選用快速熔斷器做短路保護裝置。快速熔斷器可選用aR或NGT型半導體保護熔斷器。選用快速熔斷器一般不用做分斷能力校驗,因為aR型熔斷器的額定分斷能力為50KA,NGT快速熔斷器的分斷能力為120KA,能夠滿足一般配電工程需要。另外熔斷器還有限流功能,對晶閘管的保護要比斷路器可靠。
快速熔斷器的額定電流的選用原則是設備啟動時不會熔斷,設備安裝處發生最小短路電流時必須可靠熔斷。具體選用時可根據設備的負荷性質和電動機的啟動電流,查閱熔斷器制造廠提供的熔斷器時間—電流特性曲線、I2t值及晶閘管的I2t值進行計算選擇。在缺少上述資料時也可按下述經驗公式計算選用:
Ifn≥(1.8~2.0)*Ie(A)
Ifn—快速熔斷器額定電流(A)
Ie—電動機額定電流(A)
2.4旁路接觸器的選擇
軟啟動結束時電動機已在額定電壓上運行,所以按電動機的額定電流選用交流接觸器就能滿足要求。要注意的是在配柜接線時,作到軟啟動器與接觸器同相連接,不要接錯相序。
2.5過負荷保護裝置的選擇
軟啟動裝置的過負荷保護裝置應該選用具有過載保護、斷相保護和溫度補償功能的熱過載繼電器。具體選用時,要使電動機的工作電流在熱元件整定電流范圍以內。工作時容易過載的設備,要使電動機的額定電流值靠近熱元件整定電流范圍的下限。
2.6變壓器負載能力及保護整定值校驗
在軟啟動裝置選用時除注意上述要求外,還要注意為設備供電的變壓器的負載能力。如果事前變壓器已接近滿載,要慎重選用軟啟動設備。尤其是要增設功率比較大的設備時,更要核對校驗變壓器的荷載能力和保護的整定值;
增加軟啟動設備后,變壓器二次側斷路器的短路短延時脫扣器的整定值Ir2為:
Ir2≥1.1(IL+1.35*K*Ie) A
式中:IL—變壓器正常運行時的負荷電流 A
K—新增加軟啟動設備的啟動電流與電動機額定電流的比值(見表1);
Ie—新增加電動機的額定電流 A。
計算出的Ir2應小于變壓器二次側斷路器現在的實際短路短延時脫扣器的整定值;否則,在新增加設備啟動時,變壓器二次側斷路器要分斷跳閘。造成軟啟動器選用失敗。
表1典型設備軟啟動效果及啟動電流參考值
應用機械類型
選用功能
執行的功能
啟動電流(%)
啟動時間(秒)
離心泵
標準啟動
減少沖擊,消除水錘
300
5~15
螺桿式壓縮機
標準啟動
減少沖擊,延長機械壽命
300
3~20
離心式壓縮機
標準啟動
減少沖擊,延長機械壽命
350
10~40
活塞式壓縮機
標準啟動
減少沖擊,延長機械壽命
350
5~10
傳送帶運輸機
標準+突跳
啟動平穩,減少沖擊
300
3~10
風機
標準啟動
減少沖擊,延長機械壽命
300
10~40
攪拌機
標準啟動
降低啟動電流
350
5~20
磨粉機
重載啟動
降低啟動電流
450
5~60
3、典型應用
例:某市第二熱源廠新增四臺250KW循環泵,兩臺工作兩臺備用,變壓器容量1250kVA,10/0.4kV,為降低電機啟動電流及避免增容投資過大,我們根據用戶要求采用軟啟動器。由于該負荷為水泵類,啟動不是很頻繁,所以采用性價比較優的SS2-250型軟啟動器。隔離開關采用HD17-630/3,熔斷器采用NT4-1250A,旁路接觸器采用CJ29-500/3,熱繼電器采用JRS2-630/3。兩年來運行正常,能夠很好的滿足用戶要求。
4、調整與試車
軟啟動控制柜安裝完成后要進行認真地檢查。按設計圖紙核對接線是否正確,連接是否可靠。因為晶閘管等電子器件不允許做絕緣電阻測試,所以只能用數字萬用表高阻檔檢查軟啟動器中晶閘管的絕緣情況。新的軟啟動器(冷態時)每組晶閘管輸入輸出端子間測量電阻值應指示1.3MΩ左右,相間(相間未接控制回路時)、相對地測量電阻值應該指示無窮大。檢查確認無誤后,在軟啟動器輸出端接上一臺小功率電動機并設定啟動方式、初始電壓、啟動時間和停機時間等技術參數。在電動機與軟啟動器連接前,必須用500V絕緣電阻測試器檢查電動機和電纜的絕緣狀態。只有絕緣電阻符合有關規定,才準許將電動機連接到軟啟動器輸出端進行啟動試驗。第一次軟啟動前要對機械進行人力盤車,檢查機械有無“卡堵”現象,然后進行設備啟動試驗并調節好啟動參數后,就可以交付使用了。
總之,軟啟動器啟動轉矩大而且可以調節、設備啟動時間短、有軟停機功能、元件少維修量小,能夠完成比較困難的設備的啟動,是性能比較好的電動機啟動控制設備,應該得到推廣應用。
更多的起動器(電機軟啟動器)選型信息請登入http://www.hapn.com
|