|
摘要:本文通過FANUC弧焊機器人在某叉車生產過程中焊接后橋、油箱、門架滑塊的實際應用,介紹設備引進總體制定方案以及設備配置,實施內容和使用效果,提出了值得關注的問題。
焊接機器人最適合于多品種強勞度高質量生產方式。在叉車制造業上,目前機器人焊接的普及率還是處于較低水平,但也開始慢慢向機器人自動化生產發展。比如叉車的后橋、左右油箱、門架滑塊、門架等主要部件,均可以使用到機器人來完成焊接工作。焊接主要以搭接、角接接頭為主,焊接質量要求相當高,其質量的好壞直接影響到叉車的安全性能。應用了機器人焊接后,大大提高了焊接件的外觀和內在質量,并保證了質量的穩定性和降低了對操作工的技能要求、勞動強度,改善了勞動環境。
從總體方案的制定伊始,我們就綜合考慮到機器人焊接系統一定要柔性化,人性化,高效率,高質量。
機器人柔性化焊接系統在結構上主要由兩部分組成:機械系統和控制系統。機械系統包括機器人工作房、機器人本體、機器人外軸回轉臺及機器人周邊設備等;控制系統可分為機器人控制系統、人機界面等輔助單元。
1.機器人工作房
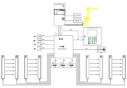
機器人工作房的布置及主要部件如圖1所示,工作房外形為長方形,房間由鋁合金型材加防弧光PET板搭建而成,其中遮光板上中下三層為不同顏色,起到美觀及防弧光作用。工作房為全封閉房間,工作房外側安裝有弧焊專用的除塵器。工作房的門簾為電動快速門簾,可以快速開啟或關閉,焊接時防護光門簾自動關閉,焊接完成后自動打開。

焊接房外側有一個觸摸屏操作箱,可以對系統進行設置和操作。另外,還有一雙手啟動盒,用以操作焊接夾具盒啟動機器人進行焊接工作。
2.機器人本體
我們采用的FANUC Arc Mate 100iB 和Arc Mate 100iC/6L系列焊接機器人是標準的六軸機器人,具有六個自由度,理論上可以達到運動范圍內的任意一點,其臂展范圍分別為1373mm和1632mm,配以賓采的焊槍,足以滿足本系統的需要。另外,叉車油箱等工件的焊接對機器人軌跡的重復定位精度有一定要求,一般應小于0.5mm,而該機器人可達到0.08mm,可以滿足生產需要。此外,對設備的自動化程度和零件生產節拍有近乎苛刻的要求,FANUC機器人2000mm/s的直線速度可以大大減少機器人軌跡中空行程所浪費的時間。機器人本體外形如圖3所示。
 Arc Mate 100iB
 Arc Mate 100iC/6L
其中,FANUC最新款的中空手臂機器人Arc Mate 100iC/6L ,它的性能相比老型號機器人有了很大提高,更適合高強度焊接作業。它和林肯電源PW i400的完美結合,大大縮短了安裝調試時間,方便維護。
FANUC 弧焊機器人和林肯焊接電源PW i400之間通訊采用ArcLink XT通訊,為全數字通訊。相比其他焊機,同樣焊接速度的情況下,一道焊縫的焊接時間可以節約大約0.4秒時間,正因為其采用了ArcLink通訊協議。
3.機器人外軸回轉臺
外軸回轉臺采用FANUC標準的2軸變位機,其負載能力為500kg,足以滿足叉車后橋、油箱的焊接需求。變位機的回轉翻轉完全由機器人來控制,在焊接時可以和機器人來協調焊接,保證焊接質量。

4.焊接夾具
在叉車焊接的系統中,最主要的是焊接夾具部分。因為考慮到叉車型號的多樣性,其零部件必然也是多樣性的。為了廠商成本考慮及生產效率考慮,我公司設計的夾具可以適用多種不通型號工件。這樣,一來減少了廠商對焊接夾具的投資;二來減少更換夾具的時間,提高生產效率。

其中,一副油箱焊接用夾具可以適用3種不同型號油箱的左右油箱,共6種工件。一副后橋焊接用夾具,可以適用3種不同型號后橋。一套門架滑塊焊接夾具可以適用22多種工件。
夾具的防錯由硬件和軟件來確保萬無一失。硬件有不同的夾具頭來對應不同的工件。軟件方面有機器人通過接觸傳感功能來區分工件確認啟動的程序是否是對應焊接的工件。其原理是利用工件大小的差異性,機器人做接觸傳感時所行走的距離大小來區分工件。這樣的雙保險可以萬無一失的確保程序運行的準確性。

5.電氣控制部分
整個工作站的控制都是由機器人控制箱來完成,利用了FANUC獨有的PMC功能來實現邏輯運算,起到PLC的作用而不使用硬件PLC,大大降低的系統成本。此外,FANUC R-30iA控制柜可以直接和觸摸屏HMI相聯接配合使用,可以直接訪問到機器人控制柜里的數據,比如寄存器、位置寄存器、I/O、甚至機器人的錯誤信息都可以實時的顯示在觸摸屏上。這樣,可以讓操作工在觸摸屏上讀取信息,而不通過示教器。

總之,機器人焊接代替人工焊接是一種發展趨勢,其焊接質量的穩定性、可靠性、高效性,是人工焊接無法比擬的。上海發那科將竭誠為您提供各種自動化焊接解決方案及設備。
|