|

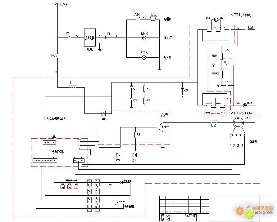
主電路:電流經由受電弓,由自動開關引至控制器上,機車上共有兩只牽引電動機,利用控制器控制,可使電動機起動(調速運行)至全速運行或電制動。
調速器由四部分組成:1、直流輸入及濾波電路 2、IGBT主控斬波電路 3、限流保護電路 4、脈寬調制電路
工作原理:直流電機通過IGBT,限流電路與直流電源形成回路,脈寬調制電路產生8000HZ的脈沖頻率,通過調節由調速電位器來控制IGBT的導通與關斷時間(脈沖占空比)。脈沖越寬在電機上產生的端電壓越高;脈沖越窄在電機上產生的端電壓越低。以達到改變電機轉速的目的,與電機發生過流或電機損壞短路時,保護電路會使脈寬調制電路產生的脈沖寬度迅速變窄或截止,以可靠的保護IGBT。
電制動運行:將調速手柄扳至電阻制動位,K1或K2閉合即構成電制動運行位。此時M1發出的電流經M2電機磁場線圈而進入制動電阻RBR1-RBR2,然后回到M1;M2電機發出的電流經RBR1-RBR2,通過M1電機磁場線圈回到M2。
輔助電路:電路中有喇叭和大燈。通過直流變換器將高壓變為24V,操作開關控制電路的通斷。
IGBT主控斬波電路由三部分組成:1、司機控制器、2、斬波主機箱、3、平波電抗器
工作原理:司機控制器具有操縱機車換向,調速和電阻制動等功能。斬波主機箱內安裝了斬波開關電路、脈沖調制電路和保護電路。平波電抗器為斬波調速的輸入電路、架空線上的直流電壓經平波電搞器進行防跳等處理、經電容進行濾波處理,最終得到穩定而平滑的直流電,作為斬波調速的輸入電路。
|