|
|
|
產品名稱:
|
兩線制電壓信號隔離配電器IC:ISO V-4-20mA
|
|
型 號:
|
ISO V-4-20MA
|
|
價 格:
|
0.00
|
|
品 牌:
|
|
|
|
|
| 名 稱: |
兩線制電壓信號隔離配電器IC:ISO V-4-20mA |
 |
| 系 列: |
ISO系列 V-4-20mA |
| 類 別: |
隔離放大器 |
| 發布時間: |
11/6/2012 8:25:26 PM |
| 相關鏈接: |
↑上一個產品 ↓下一個產品 |
| 產品詳情: |
產品特點: ● 二線制傳感器電壓信號隔離配電轉換 ● 精度誤差等級:非隔離型0.1級;隔離型0.2級 ● 內置線性化處理和長線補償電路(非線性度<0.05%) ● 信號輸入與輸出3KVDC隔離(全隔離型) ● 給傳感器供電電壓范圍12-32VDC ● 輸入等效電阻小、線性度高 ● 低成本、小體積IC封裝和DIN35導軌安裝方式 ● 工業級溫度范圍:- 40 ~ + 85 ℃
典型應用: ● PLC/DCS從傳感器直接獲取電壓信號 ● 位移、電位器信號采集隔離與控制 ● 工業現場地線干擾抑制 ● 稱重信號轉換成標準4-20mA模擬信號 ● 壓力傳感器信號采集及配電 ● 模擬信號遠程無失真傳輸 ● 電橋(稱重)檢測電路的電壓信號配送
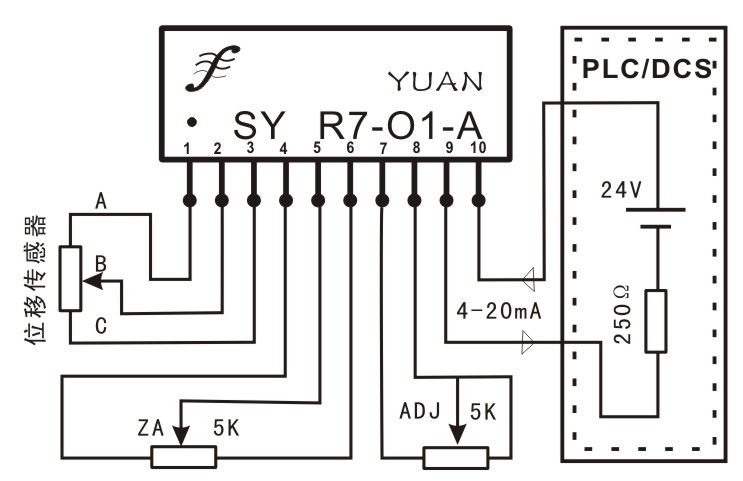
概述: SunYuan SIP12 Pin封裝的二線制電壓信號隔離配電器:ISO V-4-20mA,是二線制電壓信號隔離配電模塊,可實現兩線制電壓輸入配電型傳感器和電橋(稱重)檢測電路的電壓信號配送。 產品設計為低成本、小體積的標準SIP12 Pin阻燃IC封裝,內部包含電流信號調制電路,電磁隔離變換電路及信號還原解調電路。供電電壓范圍12-32VDC,輸入等效電阻小、線性度高,信號輸入與輸出之間可達到2500VAC隔離耐壓。產品使用十分方便,客戶只需在產品前端加上少量外圍器件,即可實現兩線制電壓輸入配電型傳感器和電橋(稱重)檢測電路的電壓信號隔離輸出功能,用戶設計時可參考典型應用電路圖。 SMD工藝結構及新技術隔離措施使該器件能達到:信號輸入與輸出3KVDC隔離(全隔離型),并且能滿足工業級寬溫度、潮濕、震動的現場惡劣工作環境要求! ISO V-4-20mA二線制電壓信號隔離配電器使用非常方便,只需很少外部元件,可實現兩線制電壓輸入配電型傳感器和電橋(稱重)檢測電路的電壓信號配送。 SY系列的輸入、輸出非隔離型產品,具有很高的精度和線性度(優于0.05F.S),常用在內置式電子尺、角位移信號變送器等精密測量儀器儀表中。產品體積小、安裝方便,可安置在傳感器內部直接將位移、角度信號轉換成標準的4-20mA信號,滿度和零點都可由用戶通過外接電位器調節、校準。
產品應用舉例 一、隔離型兩線制電壓信號配電器 IC:ISO V-4-20mA (Sip12 Pin) 1、二線制電壓信號傳感器隔離配電典型應用
2、電橋(稱重)檢測電路電壓信號隔離配送典型應用
二、非隔離型高精度電壓信號無源配電器 IC:SY R-P-O (Sip10Pin) 應力、電阻信號無源配電放大器SY R-P-O系列產品,可將壓力、稱重、直線或角位移傳感器輸出信號進行高精度放大并轉換成標準的兩線制4-20mA模擬信號,滿度和零點都可由用戶通過外接電位器調節、校準。 1、電阻信號無源配電放大器典型應用圖
詳細技術資料: http://www.sun-yuan.com/download/201211620134794717.pdf
|
|
|
|