|
|
|
產品名稱:
|
順源新品:V/F轉換隔離變送器 IC
|
|
型 號:
|
ISO U(A)-P-F
|
|
價 格:
|
|
|
品 牌:
|
|
|
|
|
| 順源新品:V/F轉換隔離變送器 IC |
| ISO系列 模擬信號轉頻率信號混合集成電路 |
| |
| |
概述:
SunYuan ISO-U(A)-P-F隔離變送器是一種將模擬直流電壓信號或電流信號隔離轉換成相應數字脈沖頻率信號的混合集成電路。該電路在同一芯片上集成了多組高隔離的DC/DC分布電源,分別給內部輸入端放大電路、調制電路和輸出端解調電路、轉換電路、濾波電路供電,同時還供電給幾個高性能的信號隔離、AD轉換、線性化補償、干擾抑制電路等。SMD工藝結構及新技術隔離措施使該器件能達到:電源、信號的輸入/輸出 3000VDC三隔離。并且能滿足工業級寬溫度、潮濕、震動等現場惡劣工作環境要求。
ISO系列模擬信號轉頻率信號(V/F變換)隔離變送器IC使用非常方便,用客戶只需外接零點、滿度電位器進行校準即可實現傳感器模擬信號隔離轉換成單位脈沖信號的隔離變送。產品可根據用戶自定義參數要求制作,安裝方式為標準SIP 16Pin PCB板焊接安裝或DIN 35導軌安裝。特別適用于調頻調相、模數AD轉換器、GPRS/GMS無線數傳、數字電壓表、數據測量儀器及遠程遙測遙控設備中。

產品特點:
● 精度、線性度誤差等級: 0.1級、0.2級
● 可通過外接電位器進行零點、滿度校準
● 電源、信號:輸入/輸出 3000VDC三隔離
● 輔助電源:5V、12V、15V或24V直流單電源供電
● 國際標準信號輸入:0-5V/0-10V/0-20mA/4-20mA等
信號輸出:0-5KHz/0-10KHz/1-5KHz等
● 低成本、超小體積,PCB/DIN35導軌安裝可靠性高
● 標準 SIP16 Pin,符合UL94V-0阻燃封裝
● 工業級溫度范圍: - 40 ~ + 85 ℃
典型應用:
● 傳感器信號隔離、采集變換及發送
● 工業現場高精度測量及AD轉換
● 模擬信號轉頻率脈沖信號(V/F變換)隔離變送
● 電子儀器儀表地線干擾抑制
● 數據調頻調相測量控制
● 高精度數字儀表采樣隔離轉換
● GPRS/GMS無線信號遠程無失真傳輸
● 電力監控、醫療、環保設備遠程遙感測控
通用參數
精 度 ---------- 0.1% ,0.2% 隔 離 ---------- 信號輸入/輸出/輔助電源
輔助電源---------- DC5V、12V、15V、24V 絕緣電阻 ---------- ≥20MΩ
工作溫度---------- -20 ~ +80℃ 耐 壓 ---------- 信號輸入/輸出/輔助電源
工作濕度---------- 10 ~ 90% (無凝露) 3KVDC,1分鐘,漏電流1mA
存儲溫度---------- -45 ~ +85℃ 存儲濕度---------- 10 ~ 95% (無凝露)
產品選型舉例
例1:輸入:0-5V 輔助電源:24VDC 輸出:0-5KHz 產品型號: ISO-U1-P1-F1
例2:輸入:0-20mA 輔助電源:5VDC 輸出:0-10KHz 產品型號: ISO-A3-P3-F2
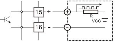
輸出典型應用接線圖
(1) 5V電壓脈沖輸出

(2) 集電極開路輸出

產品尺寸及PCB布板圖

詳細技術資料:
http://www.sun-yuan.com/download/20129251416835422.pdf


|
|
|
|