北京平和 PH-20直流信號隔離器輸入阻抗:電壓型≥100KΩ 電流型:100Ω,輸出阻抗:電壓型≥10KΩ 電流型:≤550Ω
規格型號及代碼

1:0-5VDC
2:0-10VDC
3:1-5VDC
4:0-10mA
5:0-20mA
6:4-20mA
7:-10V-+10VDC
8: 用戶特定參數
主要技術參數
輸入阻抗:電壓型≥100KΩ 電流型:100Ω
輸出阻抗:電壓型≥10KΩ 電流型:≤550Ω
精 度:±0.2%F.S
溫度系數:<50PPM/℃
環境溫度:-10℃-+60℃
絕緣電阻:電源、輸入、輸出之間大于等于100MΩ(500VDC)
絕緣強度:電源、輸入、輸出之間1500VAC/分鐘
電 源:24VDC±10%
消耗功率:<1W
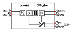
原理示意圖

端子編號及接線圖

訂貨注明
標明輸入、輸出信號的代碼
例:輸入4-20mADC 輸出0-10VDC
隔離器其型號PH2072