北京平和 PH-21交流信號隔離器輸入阻抗:電壓型≥100KΩ 電流型:≤2Ω,輸出阻抗:電壓型:≥10KΩ 電流型:≤550Ω
規格型號及代碼

1:0-5VDC
2:0-10VDC
3:0-10mA
4:0-20mA
5:4-20mA
6:1-5VDC
7:2-10VDC
8:用戶特定參數
主要技術參數
輸入阻抗:電壓型≥100KΩ 電流型:≤2Ω
輸出阻抗:電壓型:≥10KΩ 電流型:≤550Ω
精 度:±0.5%F.S
溫度系數:<50PPM/℃
環境溫度:-10℃-+60℃
絕緣電阻:電源、輸入、輸出之間≥100MΩ(500VDC)
絕緣強度:電源、輸入、輸出之間1500VAC/分鐘
電 源:24VDC±10%
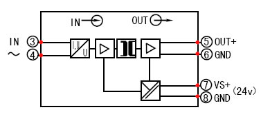
消耗功率:<1W IN 3 4 IN OUT 5 OUT+ 6 GND I,U U 7 VS+ 8 GND(24v)
原理示意圖

端子編號及接線圖

訂貨注明
標明輸入、輸出信號的代碼
例:輸入0-265VAC 輸出4-20mA
隔離器型號為PH2145