http://www.debgrams.com 2008-03-28 09:32 來源:美國邦納工程國際有限公司
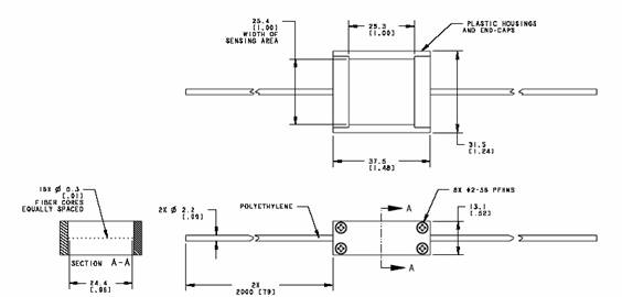
美國邦納公司近期發布了一款為小物體計數經濟解決方案而設計的矩型光纖PDIR1X166UMRXTC,其光纖一體化的設計,安裝十分方便,在特定的場合能達特殊的應用。
研發目的:
小物體計數的經濟解決方案
產品特點:
光纖一體化設計,安裝方便
光纖光束間距1.62mm
專家式QS18**FP
鍵式設定,操作簡單
安裝靈活,側面安裝或導軌安裝
分辨率高
應用場合:
藥丸計數,糖果計數,電子元器件計數.

