http://www.debgrams.com 2012-12-22 11:55 來源:深圳市順源科技有限公司
產品特點:
● 電阻、電子尺或位移傳感器信號直接輸入
● 精度誤差等級:非隔離型0.1級;隔離型0.2級
● 內置線性化處理和長線補償電路(非線性度<0.05%)
● 輔助電源與信號輸入、輸出3KVDC三隔離(全隔離型)
● 輔助電源:5V、12V、15V或24V直流單電源供電
● 輸入電位器信號:0-50Ω/0-500Ω/0-2KΩ/0-10KΩ等
輸出標準電壓信號:0-2.5V/0-5V/0-10V/1-5V/等
輸出標準電流信號:0-10mA/0-20mA/4-20mA等
● IC模塊、電子尺內嵌、防水盒和DIN35導軌安裝方式
● 工業級溫度范圍:- 40 ~ + 85 ℃
典型應用:
● 電子尺、角度傳感器信號隔離、采集及變換
● 位移、電位器信號采集隔離與控制
● 工業現場地線干擾抑制
● 電阻信號轉換成標準模擬信號
● 距離測量與報警
● 模擬信號遠程無失真傳輸
● 數控機床、軌道交通設備位移控制隔離安全柵
概述:
SunYuan ISO V-4-20mA 和ISO R-P-O系列隔離變送器是一種將位移電阻信號按變化大小隔離轉換成與阻值成線性標準信號的混合集成電路。該電路在同一芯片上集成了一組多路高隔離的DC/DC電源,幾個高性能的信號隔離器和電阻線性化、長線補償、干擾抑制電路,特別適用于將電阻信號隔離轉換成標準信號,位移信號的變送與無失真遠傳,工業現場電子尺、角度傳感器信號隔離、采集及變換。
芯片內部集成了高效率的DC-DC,能產生兩組互相隔離的電源分別給內部輸入端放大電路、調制電路供電和輸出端解調電路、轉換電路、濾波電路供電。SMD工藝結構及新技術隔離措施使該器件能達到:工作電源、信號輸入和輸出之間的2500VAC三隔離,并且能滿足工業級寬溫度、潮濕、震動的現場惡劣工作環境要求。
ISO V-4-20mA 和ISO R-P-O系列位移信號隔離放大器使用非常方便,只需很少外部元件,即可實現位移電阻信號的隔離變送。并可以實現工業現場位移控制信號一進兩出、一進四出的功能。
SY系列的輸入、輸出非隔離型產品,具有很高的精度和線性度(優于0.05F.S),常用在內置式電子尺、角位移信號變送器等精密測量儀器儀表中。產品體積小、安裝方便,可安置在傳感器內部直接將位移、角度信號轉換成標準的4-20mA信號,滿度和零點都可由用戶通過外接電位器調節、校準。
產品應用方案舉例:
Sunyuan位移傳感器專用變送器采用輸入濾波、輸入保護電路,高精度穩壓基準IC電源電路,放大轉換電路,零位滿度調節電路等變換電路,外接電源可選用交流或直流電源供電。
一、兩線制電壓信號隔離配電模塊(IC封裝)
SIP12 Pin封裝的二線制電壓信號隔離配電器:ISO V-4-20mA,是二線制電壓信號隔離配電模塊,可實現兩線制電壓輸入配電型傳感器和電橋(稱重)檢測電路的電壓信號配送。
產品設計為低成本、小體積的標準SIP12 Pin阻燃IC封裝,內部包含電流信號調制電路,電磁隔離變換電路及信號還原解調電路。供電電壓范圍12-32VDC,輸入等效電阻小、線性度高,信號輸入與輸出之間可達到2500VAC隔離耐壓。產品使用十分方便,客戶只需在產品前端加上少量外圍器件,即可實現兩線制電壓輸入配電型傳感器和電橋(稱重)檢測電路的電壓信號隔離輸出功能,用戶設計時可參考典型應用電路圖。
1、ISO V-4-20mA產品產品典型應用圖
二線制電壓信號傳感器隔離配電典型應用

電橋(稱重)檢測電路電壓信號隔離配送典型應用

二、隔離型電阻信號隔離變送器 IC
IC封裝的電阻信號隔離放大器ISO R-P-O-A系列產品可實現電阻信號的隔離、放大和變換。工作電源、信號輸入和輸出之間的3000VDC三隔離。
電阻信號隔離放大器ISO R-P-O-A產品典型應用圖

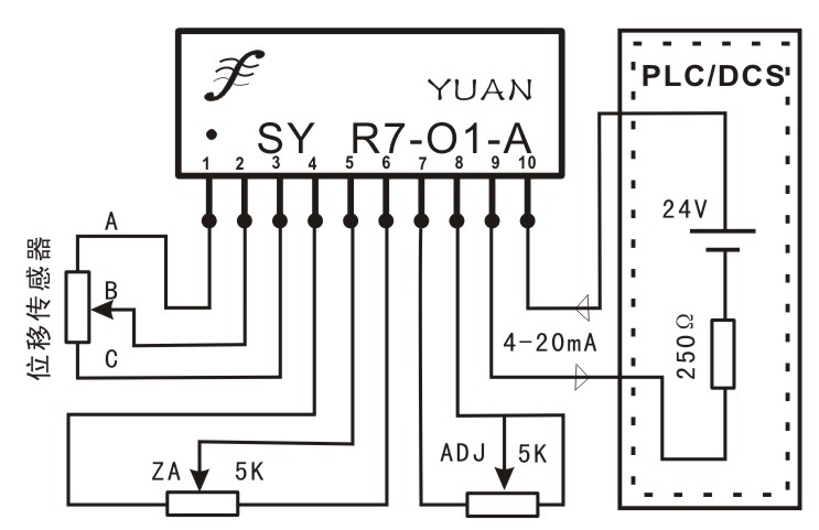
三、非隔離型SY R-P-O(Sip10 Pin) 電阻信號轉換放大器 IC
位移信號轉換放大器SY R-P-O系列產品,可將直線或角位移傳感器輸出信號進行高精度放大并轉換成標準的兩線制4-20mA模擬信號,滿度和零點都可由用戶通過外接電位器調節、校準。
1、電阻信號非隔離放大器SY R-P-O產品典型應用圖

順源新品圖片:
