http://www.debgrams.com 2008-11-26 17:02 來源:慧聰網
編者語:自動化電鍍生產線應用非常廣泛,其控制部分常常采用PLC控制,用變頻器對電動機進行調速。結合實際談幾點應用經驗供大家參考,包括歐姆龍PLC的位計數指令Bcnt的一個特殊用法,電鍍生產線的伺服器“Mity”的死機問題和生產線吊車移動跑位跑偏故障問題的解決,這些經驗在實際應用上有重要的參考價值。
自動化電鍍生產線在電路板、五金表面處理等領域應用非常普遍,自動化程度也越來越高??刂粕匣径疾捎茫校蹋煤臀⑿陀嬎銠C構成的集散控制系統控制,控制系統也比較復雜。現將該系統在設計和使用過程中的幾點應用經驗寫出來與大家交流。
一、 位計數指令 Bcnt 的特殊用法
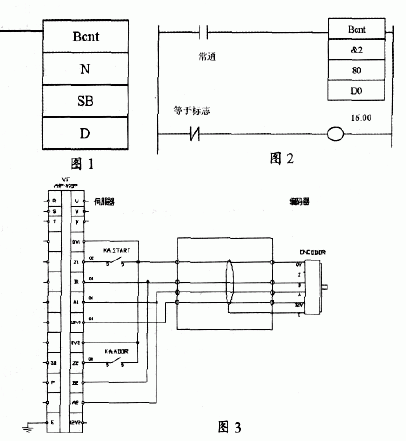
歐姆龍的C系列PLC有一個指令稱為位計數指令Bcnt,其指令形式如圖 1。無論是各種書籍還是歐姆龍公司的編程手冊對該指令的解釋都是:對從SB開始的連續N個字中的1的個數進行計數,結果放入字D中,一般也就照此應用。但是實際上它對標志位有影響,并可應用其對標志位的影響來寫程序,有時應用起來十分方便。
當有多個信號之一發生就需要輸出某個信號時,這些信號之間是邏輯“或”的運算關系。一般將這些信號對應的常開觸點并聯來寫程序,信號點數很多時,相應程序較長?;蛘邔⑦@些信號集中在某幾個字中,用比較指令CMP與0比較,然后檢查是否相等來寫程序,程序也比較長。而用位計數指令Bcnt對標志位的影響來寫就十分簡單,首先將這些信號集中到連續的幾個字中,假如有25個信號已經集中在80和81兩個字中,這些信號中有任何一個發生,就要使16.00 輸出一個信號,然后用Bcnt指令寫出T形圖程序,見圖 2。

位計數指令的結果放入目標字中,目標字的值是否等于0會影響等于標志位,此例中放在80到81中的25個信號中只要有任何一個或多個信號發生,16.00 就會有輸出信號。如此用法,程序簡單,實際運行,工作正確。
二、.伺服器 Mity 的“死機”問題
自動化電鍍生產線電動機的調速都采用 用變頻器變頻的方式實現,多數使用市面上常 見的三菱或施萊德公司的變頻器,當然也有少數使用其他的變頻器。日本一家公司專門開發了一種稱之為伺服器,取名“Mity”的設備,將變頻和一些其他的功能作在一起,其加減速更快、更平穩,使用方便。與編碼器配合使用,運行可靠,定位準確,抗干擾能力更強(電鍍生產線周圍由于大電流的影響,干擾電磁場很強),因此目前越來越受電鍍設備供應商和電鍍企業歡 迎。用法上按照該產品的使用說明設計控制線路,在吊車上安裝一個檢測位置的定位感應器,在各缸位安裝感應片,在機架上該吊車移動范圍的最大和最小位置安裝前后限位感應器,感應器信號都送到PLC,定位信號也要求送到伺服器。限位信號在程序中用來斷開向前或向后移動輸出信號。
此系統在運行之前要先學習,所謂學習是讓吊車以很低的速度從最小位移動到最大位,每移動一個缸位,伺服器記錄下吊車從前一缸位移動到該缸位之間編碼器發送過來的脈沖數。吊車運行時根據脈沖數來定位, 感應器給出的感應信號作校驗。由于吊車上定位感應器與向前或向后感應片之間有一定距離, 同時機架上的前或后限位感應器也需要安裝在吊車移動的范圍的最大和最小缸位前或后一定距離,這個距離都在現場調整, 難免會出現定位和限位兩個感應器同時感應, 或者該吊車正好處在某缸位, 定位感應器被感應, 別的吊車或金屬物體感應到限位感應器。如果吊車在運行或學習時發生此種情況, 吊車會發生以最高速度反向運動, 此時伺服器不接受任何外部輸入的控制信號,只有斷開電源才能停止吊車運行的現象。這種現象極易傷害到人身安全和設備。
解決的辦法有:
a.在設計電路時加上在出現此兩個感應器 被同時感應時自動斷開吊車電源的控制線路,并加上相關保護程序。
b.小心調整限位感應器位置, 防止該現象 的出現。
三、用伺服器 Mity 驅動吊車的吊車跑位跑偏的故障原因
在采用上述方案的控制系統中,生產線使用幾年后極少數會出現工作一段時間吊車跑位偏離定位位置的故障現象,此時用普通電工儀表(電筆、萬用表、兆歐表)都無法查出故障原因,因為實際中用萬用表和兆歐表檢查該信號線是沒有問題的。如果沒有經驗該故障十分難維修。分析其原因或者是編碼器軸打滑或者是編碼器送到伺服器的信號有錯誤。事實和現場檢查證明編碼器的軸從來沒有出現打滑。只有在吊車工作時才能夠檢測到編碼器送到伺服器的信號,而吊車移動速度在不斷變化,編碼器送到伺服器的信號的節奏也在不斷變化,同時電氣控制柜周圍干擾很強,電腦顯示器靠近了就會無法正常顯示。因此,用示波器能否檢測編碼器送到伺服器的信號沒有試過,一般也不具備此條件,估計就是有示波器也無法用來檢測此信號。在用備用編碼器更換編碼器無效的情況下可以更換從編碼器到電氣控制柜的橡膠絕緣外皮的屏蔽信號線排除故障,即圖3中矩形框部分。其原因可能是該信號線老化,受到現場干擾,導致送到伺服器的信號錯誤所致。建議使用三年就更換該信號線或出現此故障時更換該信號線。(文/萬軍華作者系:湖南理工學院物電系教師)