http://www.debgrams.com 2007-04-29 21:46 來源:中國自動化學會專家咨詢工作委員會

圖1 并聯輸出電壓的正確連接方法
2 不同的開關電源啟動特性對并聯運行電源的影響
不同的電源的啟動特性對電源并聯運行的正常與否將會產生很大的影響,由于開關電源在上電后大約需要0.3~1.5s的時間才能使輸出電壓穩定。而采用啟動時間的差別較大的開關電源時,往往會給并聯運行電路的正常啟動帶來很大的麻煩。如果兩個開關電源并聯工作,其中一個電源啟動時間比較短,只需0.3s,其電壓很快就穩定下來,馬上承擔負載的電流;而在第一電源輸出電壓已穩定的情況下另一個并聯開關電源仍處于啟動狀態,不能正常工作,這時第一個電源必須承擔全部的負載電流,從而進入過負載狀態,電源安全裝置起作用,關斷輸出電壓;恰在此時,另一個開關電源進入穩定狀態,輸出電壓承受負載電流,此時第一個電源因為輸出電壓已關斷,第二個開關電源必須承受所有的負載,則又進入過負載狀態,引起第二個開關電源關斷。在電路設計時如果沒有充分考慮到保險措施的話,往往會將電源燒壞或者常常要啟動多次才會進行正常工作的狀態。因此電源在并聯工作時必須考慮到開關電源的啟動時間。一般的經驗是開關電源的啟動時間必須小于20%的電源過負載的時間,這樣才能保證在并聯運行時可靠啟動,同時建議可并聯的開關電源不要采用Hiccup輸出負載特性,這樣會給電源的診斷帶來困難。德國PULS電源集團公司(以下簡稱PULS公司)的新一代產品DIMENSION充分考慮了電源并聯工作時特點,加大了電源的過負載能力,其POWER OVERLOAD具有可維持4秒鐘的150%過負載能力。這樣,PULS電源并聯工作是就不必考慮電源的啟動時間的影響,大大方便了使用者和設計者。
3 突變輸出負載對并聯運行的導軌式開關電源的影響
在并聯運行時,電源中為了給它的控制電路供電,須提供一個輔助電壓,這在啟動時通過采用一個電容來實現(這也就是為什么電源啟動時有延遲時間的原因)。當電源的功率部分正常工作后,其控制電路由本身的電源供電,當兩個電源并聯運行時,如果一開始帶的負載很少,那么其中一個電源的功率部分基本關斷(這不僅對被動式或主動式均流方法都是一樣的)。這時這個電源的內部的輔助電源也關斷了,當負載突變時,這個電源必須像啟動狀態一樣,慢慢地重新建立起來,這要經過一個延遲(大約0.5s)才能使電源功率部分正常工作,在這延遲時間內,只有一個電源進行工作,而且處于負載電流的極限狀態,這時往往會引起過載保護動作,切斷輸出的電壓。因此并聯運行的電源必須保證在電源空載的情況下,內部輔助電源照常工作,這樣,當出現突變負載時所有電源能及時地分擔負載。在并聯運行時,并聯運行的電源應該具有承受較高外來電壓的能力,不然的話,一個較高的外來電壓將會損壞并聯電源。為了避免這種現象的發生,須考慮串接一個隔離二極管。PULS公司的DIMENSION充分考慮了突變輸出負載的特點,通過加大了電源的過負載能力,來解決由于負載突變而可能發生電源瞬間過負載的問題。這樣,PULS電源并聯工作方法比一般的開關電源的并聯來的更加可靠、安全和方便。
4 導軌式開關電源的簡單的并聯運行模式
在使用導軌式開關電源時,為了提供超過單個電源所能達到的輸出最大功率,可以通過電源并聯的方法來增加輸出的電流量。簡單的并聯運行模式是要求二個或多個電源直接并聯,而不產生任何損壞的現象,其重要的一點就是電源對輸出功率的承受力,所謂的簡單并聯并不考慮電流的均流問題,而是考慮在啟動時或負載變化時的并聯電源可能產生的問題。人們將兩個電源簡單地并聯起來,并將它的輸出電源調整到盡可能一致,這樣在工作實踐中往往會出現這種現象:電源1首先承擔全部負載,一直到它的電流極限,然后電源2承受余下的電流,如果這樣并聯運行作為冗余功能使用,同時采用不同的輸入源的工作的話,那么這種方式是受歡迎的,因為它可以對輸入源壽命起延長保護作用(如電池等)。如果這樣并聯運行作為提高輸出總功率,即加大電流量的情況下,這種不均流的工作方式將帶來不良的后果,因為這樣一個電源一直工作在滿負載的狀態下,其電源的壽命大大減少,并聯電源的可靠性大大降低,這個電源往往也會過早地損壞。所以一般并聯電源必須合理地分配電流,這里有兩種實現的方法。

圖2 簡單并聯電源,輸出電流的不均流現象
4.1 采用被動式均衡電流的并聯運行模式

圖3 采用被動式均衡電流的并聯運行模式的輸出電流分布現象
被動式均衡電流的并聯運行模式特點是:當輸出電流增大時,其輸出電壓會微量的減少,其輸出電壓是所謂的軟特性:輸出電壓隨著輸出電流的增加而稍微下降。其電源在空載到滿負載之間的輸出電壓的波動大約為4%~5%額定電壓即1V左右。這樣當二個電源并聯時,由于不同的電流負載產生了不同的輸出電壓,一個是有稍高輸出的電壓的電源首先承受負載電流,隨著電流量的增加,這個電源輸出電壓略降,低于另一個電源的輸出電壓,這樣另一電源承受負載電流,通過這樣階梯式交替的方法達到均衡電流的作用。均衡電流的平衡程度如何,取決于所有并聯電源的輸出電壓的初始調節和設置值。必需指出,這個方法的實現其輸出電源必須采用一個共同的接線端。
一般來講,在大多數應用場合中,具有輸出電壓的軟特性下降曲線的開關電源基本上能滿足并聯運行的均流的要求。PULS電源SL強力型系列采用了這種被動式的并聯工作方式,為了方便用戶的使用,PULS電源上面具有輸出電壓特征的選擇開關,即單個運行或并聯運行的選擇開關。開關打開“S”狀態時,這時輸出電壓特征是硬特性,輸出電壓的大小與輸出的電流無關。當打開“P”狀態時,即為并聯運行方法,電源輸出電壓特征軟特性。開關電源的輸出電壓值隨輸出電流增加而減少,以達到均衡電流的目的。這樣PULS電源給并聯運行或單個運行提供了一個經濟而又可靠的性價比高的導軌式開關式電源。
4.2 采用主動式均衡電流的并聯運行模式
主動式均衡電流的并聯模式必須采用一根附加的均流線,這根均流線作為反饋信號傳送到電源的控制器來調節每個電源在所有的條件下提供相同的輸出電流,這時,電源電壓輸出的軟特征是不需要的,輸出電壓在任何場合下不受電流大小的影響,所以與被動式均衡電流相比,其輸出電壓精度高,同時與輸出電路的類型無關;但是對于開發和安裝來說,費用較高,因為在電源內部需要一個精確度較高的電流測試線路和一個附加的電流調節器,同時也多一個接線端口。PULS電源的SL40.301三相24/40A的電源采用這種技術,所有的電源經過均流線和地線相連接,如圖4所示。

圖4 采用主動式均衡電流的并聯運行模式的連接方法
5 導軌式開關電源的冗余運行模式
為了提高供電電源的可靠性,在許多工業應用場合都采用冗余電源的方案,這就是說在并聯的電源中至少有一個電源處于后備狀態。這樣當并聯電源中任一電源發生損壞時,這個后備電源自動切換到工作狀態,已保證并聯電源繼續提供設計的總功率,這種冗余方案稱為N+1冗余,為了進行更高地提高可靠性,也可采用N+M的冗余方案,所有M個電源都處于后備狀態,即使M個電源發生故障時,并聯電源仍能正常工作,提供給負載所需的功率。為了保證冗余電源運行模式的高可靠性,其電路的設計要考慮的問題比一般并聯電源的方案多得多。比如說,必須考慮任何一個電源不應長期在功率極限或電流極限狀態下工作。這樣產生的熱量會影響壽命和提高損壞的概率,在最壞的狀況下,冗余決不允許輸出回路的電壓短路的現象出現,這會引起負載回路的短路,完全不能實現冗余功能。因此為了100%地實現冗余功能,各個電源之間必須互相隔離,這一般可采用串接一個隔離二極管來實現,如采用PULS公司生產的SLR01、SLR02隔離二極管模塊。同時PULS公司還生產將隔離二極管集成在開關電源的冗余電源,如PULS公司的SLR2、SLR5和SLR10的冗余電源。在實現冗余工作方案是,必須考慮設備的檢測能力,以提高系統工程的安全性。當冗余電源中任何一個電源出現故障時,必須要有一個顯示信號,及時地觀察到哪個電源壞了,以便盡快地進行現場處理。因此冗余電源中,任一電源的工作狀態需有一個檢測裝置。PULS公司的隔離二極管模塊上都有各個電源的狀態顯示燈,并有一個與控制器相連接的斷電器觸點。能將電源的工作狀態及時地送入控制系統中,實現監控。在制定冗余電路方案時,電源的輸入電壓與電網連接時,冗余電源的輸入電源應連接在不同的相線上,這樣當一個相線出現問題時,連接在其他相線上的電源仍能繼續工作,這樣大大提高了冗余電源系統的可靠性。對于三相電源來講,開關電源必須具有缺相工作功能,即三相電源能在兩相狀態下工作,以提供冗余電源的可靠性。
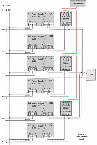
圖5表示了一個采用PULS電源實現的5+1的冗余電源的方案。其輸出功率為3 600W/24V/150A的并聯式冗余電源。這個方案采用了6個SL30.100和3個SLR02的冗余模塊。3個SLR02的冗余模塊將所有的電源工作狀態串接起來,成為一個綜合信號送入控制系統進行監控。每個SLR02的冗余模塊都能顯示所連接的電源工作狀態,隔離二極管也防止了輸出回路的短路現象的出現。

圖5 采用并聯運行模式的冗余電源的方案
6 結語
本文對如何正確采用導軌式開關電源并聯和冗余技術,對各種可能在實際應用發生問題作了探討。值得一提的是,最近德國PULS普世電源公司推入市場的DIMENSION概念性電源,不僅其效率高> 95%,體積小,比一般同類導軌式開關電源小60%以上,引起了市場巨大的反響,同時它獨創的超強的過載能力不僅解決了瞬時過載問題,而且在實現并聯和冗余功能中遇到的不同啟動時間問題,突變輸出負載的問題,被動式均衡并聯輸出電壓變動問題,主動式均衡并聯電路設計復雜問題,乃至冗余電路可能發生的短路問題都成功地得到了解決。該產品無疑大大的方便了用戶的使用,又大大提高了系統的可靠性,在導軌式開關電源技術的新開發的道路上又領先了一大步。